OpenSCADA

Бібліотеки/Основні графічні елементи

This page is a translated version of the page Libs/Main graphical elements and the translation is 100% complete.

English • ‎mRussian • ‎Українська
Назва Версія Ліцензія Джерело Мови Автор Іконка
Бібліотека основних елементів інтерфейсу користувача 2.2 GPLv2 vcaBase.db (SQL, GZip) > VCA.wlb_Main en, uk, ru Роман Савоченко LibMainGraphElements.png
Опис
Надає бібліотеку основних елементів користувацького інтерфейсу загальної та промислової автоматизації.


Бібліотека створюється для надання основних елементів користувацького інтерфейсу та містить графічні елементи, які часто затребувано при формуванні користувацького інтерфейсу автоматизації технологічних та загальних процесів. Будується бібліотека на основі примітивів віджетів та мови внутрішнього програмування JavaLikeCalc.

Назви елементів та їх параметрів доступні на мовах: Англійська, Українська та mRussian. Їх вихідний код написано у мово(людська)-незалежному режимі з викликом функції перекладу tr() та переклад цих повідомлень також доступний Англійською, Українською та mRussian.

Для підключення бібліотеки до проекту станції OpenSCADA Ви можете отримати файл БД як:

wget http://oscada.org/svn/trunk/OpenSCADA/data/LibsDB/vcaBase.sql
sqlite3 -init vcaBase.sql vcaBase.db .exit

Цей отриманий файл Ви надалі можете розмістити у теці проекту станції та створити об'єкт бази даних модуля БД "SQLite", зареєструвавши файл бази даних у конфігурації.

Contents

1 Віджети — графічні елементи

Містить елементи-віджети загального застосування, які призначено для розташування на основних кадрах. Цима основними кадрами можуть бути й кадри поза цією концепцією об'єктів сигналізації кореневої сторінки "RootPgSo", але треба враховувати, що вони часто посилаються та викликають ті або інші панелі керування!


1.1 Відображення аналогового (anShow)

1.3 GPLv2 * en, uk, ru Роман Савоченко -1 мс (предок)

Елемент на рисунку 1.1 слугує для відображення поточного значення аналогового параметру та режиму регулятору, якщо параметр є таким. Також цей елемент генерує повідомлення про порушення за відповідними уставками параметру. Елемент загалом використовує та представляє представницьку структуру DAQ-шаблону "Аналоговий сигнал".

Рис.1.1. Елемент "Відображення аналогового" у режимі розробки та виконання (зліва праворуч).

Використання — розробка
Цей віджет може бути використано розробником при створені мнемосхем з відображенням значень аналогових параметрів та ПІД-регуляторів. Для використання потрібно додати цей віджет на мнемосхему, підлаштувати горизонтальний, вертикальний розмір масштабом та зв'язати з параметром джерела даних.

Використання — виконання
У режимі виконання, у основному полі елементу, відображається назва параметру, режим регулятору (тільки для регулятору) та поточне значення-змінна цього параметру; які, залежно від наявності порушення, відображаються кольором стилю: labColorGood, labColorWarning, labColorAlarm; та яким зображення незквітованого параметру може блимати. За апаратних помилок та недостовірності даних, останнє значення відображається сірим кольором та перекреслюється. У підказці користувач може отримати опис пов'язаного параметра та його помилки.

У активному режимі елементу можна отримати паспорт, натиснувши праву клавішу миші на полі віджету. У паспорті будуть представлені всі властивості параметру. За натиском лівої клавіші миші у області панелей з'явиться панель управління параметром, та вибір даного віджету буде відображатися блимаючою рамкою.

At.png Віджет наразі підтримує функціювання із дуже великим значенням "Період опрацювання" та це значення наразі встановлено для спадкування від батьківського віджету/сторінки/сеансу (значення -1). Це можливе завдяки механізму раннього опрацювання подій та можливості контролю періодичності опрацювання із процедури.

Властивості зв'язування та конфігурації

Ідентифікатор Ім'я Тип Конфігурація Конфігураційний шаблон Опис
pErr Параметр: помилка Рядок Вхідний зв'язок Parameter|err Код та текст помилки за параметром. Використовується для формування сигналізації про порушення. Коди помилок, що обробляються:
  • 1,2 — відмова, параметр недостовірний, відображається сірим та перекресленим окрім випадку з redEVAL;
  • 3,4 — вище та нижче аварійної границі, відображається кольором стилю labColorAlarm;
  • 5,6 — вище та нижче попереджувальної границі, відображається кольором стилю labColorWarning;
  • 10,11 — коди користувацьких порушень статусу попередження та аварія, відповідно відображається кольором стилю labColorWarning та labColorAlarm.
pModeA Параметр: режим регулятору: автомат Логічний Вхідний зв'язок Parameter|auto Відображається велика літера "А" ліворуч від значення, при встановленні.
pModeC Параметр: режим регулятору: каскад Логічний Вхідний зв'язок Parameter|casc Відображається велика літера "К" ліворуч від значення, при встановленні.
pName Параметр: ім'я Рядок Вхідний зв'язок Parameter|NAME Коротке найменування параметру, що відображається над значенням та вставляється у повідомлення про порушення.
pPrec Параметр: точність Цілий Вхідний зв'язок Parameter|prec Кількість знаків після точки, для позитивних значень, та точність (знаків загалом), для негативних, для відображення кінцевого реального значення на екрані.
pVal Параметр: значення Реальний Вхідний зв'язок Parameter|var Інженерне реальне значення параметру.
redEVAL Червоне ім'я параметру у випадку відмови Логічний Стала По замовченню, колір ім'я при "відмові" (значення EVAL) параметру сірий. Для деяких критичних для технологічного процесу параметрів стан відмови має бути яскраво виражено на мнемосхемі червоним кольором.
spName Ім'я для синтезу Рядок Стала Ім'я параметру для синтезу мови при формуванні аварійних повідомлень з урахуванням наголосу слів, пауз та інше. Порожнє значення вимикає повідомлення мовою!

1.2 Відображення аналогового 1 (anShow1); Відображення аналогового 1, короткий (anShow1s)

1.4 GPLv2 * en, uk, ru Роман Савоченко -1 мс (предок)

Елемент на рисунку 1.2 слугує для відображення поточного значення аналогового параметру та короткого префіксу виміряного значення. Також цей елемент генерує повідомлення про порушення за відповідними уставками параметру. Елемент загалом використовує та представляє представницьку структуру DAQ-шаблону "Аналоговий сигнал".

Ці два елементи відрізняються один від одного лише початковим горизонтальним розміром, тобто другий "Відображення аналогового 1, короткий" є коротким варіантом для дуже коротких випадків та він прямо успадковується від першого.

Рис.1.2. Елемент "Відображення аналогового 1" у режимі розробки та виконання (зліва праворуч).

Використання — розробка
Цей віджет може бути використано розробником при створені мнемосхем з відображенням значень аналогових параметрів із префіксом та/або як елемент статичної екранної таблиці. Для використання потрібно додати цей віджет на мнемосхему, підлаштувати горизонтальний, вертикальний розмір масштабом та зв'язати з параметром джерела даних.

Використання — виконання
У режимі виконання, у основному полі елементу, відображається короткий префікс та поточне значення-змінна цього параметру; які, залежно від наявності порушення, відображаються кольором стилю: labColorGood, labColorWarning, labColorAlarm; та яким зображення незквітованого параметру може блимати. За апаратних помилок та недостовірності даних, останнє значення відображається сірим кольором та перекреслюється. У підказці користувач може отримати опис пов'язаного параметра та його помилки.

У активному режимі елементу можна отримати паспорт, натиснувши праву клавішу миші на полі віджету. У паспорті будуть представлені всі властивості параметру. За натиском лівої клавіші миші у області панелей з'явиться панель управління параметром, та вибір даного віджету буде відображатися блимаючою рамкою.

At.png Віджет наразі підтримує функціювання із дуже великим значенням "Період опрацювання" та це значення наразі встановлено для спадкування від батьківського віджету/сторінки/сеансу (значення -1). Це можливе завдяки механізму раннього опрацювання подій та можливості контролю періодичності опрацювання із процедури.

Властивості зв'язування та конфігурації

Ідентифікатор Ім'я Тип Конфігурація Конфігураційний шаблон Опис
pErr Параметр: помилка Рядок Вхідний зв'язок Parameter|err Код та текст помилки за параметром. Використовується для формування сигналізації про порушення. Коди помилок, що обробляються:
  • 1,2 — відмова, параметр недостовірний, відображається сірим та перекресленим;
  • 3,4 — вище та нижче аварійної границі, відображається кольором стилю labColorAlarm;
  • 5,6 — вище та нижче попереджувальної границі, відображається кольором стилю labColorWarning;
  • 10,11 — коди користувацьких порушень статусу попередження та аварія, відповідно відображається кольором стилю labColorWarning та labColorAlarm.
pNAME Параметр: ім'я Рядок Вхідний зв'язок Parameter|NAME Коротке найменування параметру, що вставляється у повідомлення про порушення.
prec Параметр: точність Цілий Вхідний зв'язок Parameter|prec Кількість знаків після точки, для позитивних значень, та точність (знаків загалом), для негативних, для відображення кінцевого реального значення на екрані.
pVal Параметр: значення Реальний Вхідний зв'язок Parameter|var Інженерне реальне значення параметру.
spName Ім'я для синтезу Рядок Стала Ім'я параметру для синтезу мови при формуванні аварійних повідомлень з урахуванням наголосу слів, пауз та інше. Порожнє значення вимикає повідомлення мовою!
pName Коротка назва Рядок Стала Значення короткої назви-префіксу.
pNameSz Розмір короткої назви Ціле Стала Розмір короткої назви-префіксу, використовуйте 0 для вимкнення поля.


1.3 Текстова мітка (TextLab)

1.2 GPLv2 * en, uk, ru Роман Савоченко -1 мс (предок)

Елемент на рисунку 1.3 слугує для відображення динамічних текстових міток, що формується на основі дискретних сигналів. Також цей елемент генерує повідомлення про порушення за локально визначеною умовою, атрибут ntf. Елемент загалом використовує та представляє представницьку структуру DAQ-шаблонів дискретного блоку та стану за кодом.

Рис.1.3. Елемент "Текстова мітка" у режимі розробки та виконання (зліва праворуч).

Використання — розробка
Цей віджет може бути використано розробником при створені мнемосхем з відображенням текстових міток та/або як елемент статичної екранної таблиці. Для використання потрібно додати цей віджет на мнемосхему, підлаштувати горизонтальний, вертикальний розмір та зв'язати з параметром джерела даних.

Використання — виконання
У режимі виконання, у основному полі елементу, відображається текстова мітка та на фоні, що відповідає значенням дискретних сигналів параметру та конфігурації станів у атрибуті digStts; де фон, залежно від наявності порушення відповідного до умов атрибуту ntf, встановлюється у колір порушення; та яким зображення незквітованого параметру може блимати. За апаратних помилок та недостовірності даних, фон відображається сірим кольором.

У активному режимі елементу можна отримати паспорт, двічі натиснувши ліву клавішу миші на полі віджету. У паспорті будуть представлені всі властивості параметру. За натиском лівої клавіші миші у області панелей з'явиться панель управління параметром, та вибір даного віджету буде відображатися блимаючою рамкою. Команди дублюються у контекстному меню, яке з'являється за натиском правої клавіші миші у області віджету.

At.png Віджет наразі підтримує функціювання із дуже великим значенням "Період опрацювання" та це значення наразі встановлено для спадкування від батьківського віджету/сторінки/сеансу (значення -1). Це можливе завдяки механізму раннього опрацювання подій та можливості контролю періодичності опрацювання із процедури.

Властивості зв'язування та конфігурації

Ідентифікатор Ім'я Тип Конфігурація Конфігураційний шаблон Опис
NAME Параметр: ім'я Рядок (переклад) Вхідний зв'язок Parameter|NAME Коротке найменування параметру, що вставляється у повідомлення про порушення та дії оператору-користувача.
DESCR Параметр: опис Рядок (переклад) Вхідний зв'язок Parameter|DESCR Опис або розгорнута назва параметру, що вставляється у повідомлення про порушення та дії оператору-користувача.
st_open Параметр: статус-відкрито Логічний Вхідний зв'язок Parameter|st_open Статус параметру "Відкрито" або загальний статус перемикача за відсутності сигналу стану "Закрито".
st_close Параметр: статус-закрито Логічний Вхідний зв'язок Parameter|st_close Статус параметру "Закрито".
st_text Параметр: статус (текст) Рядок (переклад) Вхідний зв'язок Parameter|st_text Текст стану параметру, за режимом "Стан за кодом".
digStts Параметр: статуси Рядок (переклад) Вхідний зв'язок Parameter|digStts Конфігурація статусів параметру зі структурою {openedLabel}-{color};{closedLabel}-{color}, для дискретного блоку.
com Параметр: команда Логічний Повний зв'язок Parameter|com Команда параметру "Відкрити" або загальна команда перемикача за відсутності сигналу команди "Закрити".
close Параметр: закрити Логічний Повний зв'язок Parameter|close Команда параметру "Закрити".
stop Параметр: зупинка Логічний Повний зв'язок Parameter|stop Команда параметру "Зупинити".
com_text Параметр: текст команди (з digComs) Рядок Повний зв'язок Parameter|com_text Текст команди параметру, за режимом "Стан за кодом".
digComs Параметр: команди Рядок (переклад) Вхідний зв'язок Parameter|digComs Конфігурація команд параметру зі структурою {openLabel}-{color};{closeLabel}-{color};{stopLabel}-{color}, для дискретного блоку, та {com1Label}-{color};{com2Label}-{color};...;{comNLabel}-{color}, для статусу за кодом.
ntf Повідомлення "{st}:{modes}:{Текст мови}" Рядок (переклад) Стала Конфігурація формування повідомлення за статусом (st) [0|1] та режимами-методами повідомлення (modes), як рядок чисел методів, та мовою, якщо вказано такий метод.


1.4 Мітка зображенням (ImgLab)

1.2 GPLv2 * en, uk, ru Роман Савоченко -1 мс (предок)

Елемент на рисунку 1.4 слугує для відображення динамічних міток зображень, що формується на основі дискретних сигналів. Також цей елемент генерує повідомлення про порушення за локально визначеною умовою, атрибут ntf. Елемент загалом використовує та представляє представницьку структуру DAQ-шаблонів дискретного блоку та стану за кодом.

Рис.1.4. Елемент "Мітка зображенням" у режимі розробки та виконання (зліва праворуч).

Використання — розробка
Цей віджет може бути використано розробником при створені мнемосхем з відображенням міток зображення та/або як елемент статичної екранної таблиці. Для використання потрібно додати цей віджет на мнемосхему, підлаштувати горизонтальний, вертикальний розмір та зв'язати з параметром джерела даних.

Використання — виконання
У режимі виконання, у основному полі елементу, відображається зображення мітки на фоні, що відповідає значенням дискретних сигналів параметру та конфігурації станів у атрибуті imgs; де фон, залежно від наявності порушення відповідного до умов атрибуту ntf, встановлюється у колір порушення; та яким зображення незквітованого параметру може блимати. За апаратних помилок та недостовірності даних, фон відображається сірим кольором.

У активному режимі елементу можна отримати паспорт, двічі натиснувши ліву клавішу миші на полі віджету. У паспорті будуть представлені всі властивості параметру. За натиском лівої клавіші миші у області панелей з'явиться панель управління параметром, та вибір даного віджету буде відображатися блимаючою рамкою. Команди дублюються у контекстному меню, яке з'являється за натиском правої клавіші миші у області віджету.

At.png Віджет наразі підтримує функціювання із дуже великим значенням "Період опрацювання" та це значення наразі встановлено для спадкування від батьківського віджету/сторінки/сеансу (значення -1). Це можливе завдяки механізму раннього опрацювання подій та можливості контролю періодичності опрацювання із процедури.

Властивості зв'язування та конфігурації

Ідентифікатор Ім'я Тип Конфігурація Конфігураційний шаблон Опис
NAME Параметр: ім'я Рядок (переклад) Вхідний зв'язок Parameter|NAME Коротке найменування параметру, що вставляється у повідомлення про порушення та дії оператору-користувача.
DESCR Параметр: опис Рядок (переклад) Вхідний зв'язок Parameter|DESCR Опис або розгорнута назва параметру, що вставляється у повідомлення про порушення та дії оператору-користувача.
st_open Параметр: статус-відкрито Логічний Вхідний зв'язок Parameter|st_open Статус параметру "Відкрито" або загальний статус перемикача за відсутності сигналу стану "Закрито".
st_close Параметр: статус-закрито Логічний Вхідний зв'язок Parameter|st_close Статус параметру "Закрито".
st_img Параметр: статус "{img}:{bCol}:{blink}" Рядок Вхідний зв'язок Parameter|st_text Зображення стану параметру, за режимом "Стан за кодом", де:
  • img — ім'я зображення, дивіться атрибути зображення;
  • bCol — фоновий колір;
  • blink — ознака блимання [0|1] фону.
imgs Зображення, для "{openedImage}-{bCol}:{closedImage}-{bCol}:{EVAL}-{bCol}" Рядок Стала Конфігурація станів параметру зі структурою {openedLabel}-{color}:{closedLabel}-{color}:{EVALLabel}-{color}, для дискретного блоку.
digStts Параметр: статуси Рядок (переклад) Вхідний зв'язок Parameter|digStts Стандартна конфігурація статусів параметру зі структурою {notUsed}-{openedColor};{notUsed}-{closedColor}', для дискретного блоку та відсутності атрибуту imgs.
com Параметр: команда Логічний Повний зв'язок Parameter|com Команда параметру "Відкрити" або загальна команда перемикача за відсутності сигналу команди "Закрити".
close Параметр: закрити Логічний Повний зв'язок Parameter|close Команда параметру "Закрити".
stop Параметр: зупинка Логічний Повний зв'язок Parameter|stop Команда параметру "Зупинити".
com_text Параметр: текст команди (з digComs) Рядок Повний зв'язок Parameter|com_text Текст команди параметру, за режимом "Стан за кодом".
digComs Параметр: команди Рядок (переклад) Вхідний зв'язок Parameter|digComs Конфігурація команд параметру зі структурою {openLabel}-{color};{closeLabel}-{color};{stopLabel}-{color}, для дискретного блоку, та {com1Label}-{color};{com2Label}-{color};...;{comNLabel}-{color}, для статусу за кодом.
ntf Повідомлення "{st}:{modes}:{Текст мови}" Рядок (переклад) Стала Конфігурація формування повідомлення за статусом (st) [0|1] та режимами-методами повідомлення (modes), як рядок чисел методів, та мовою, якщо вказано такий метод.


1.5 Порушення — активне (alarmsAct)

1.4 GPLv2 * en, uk, ru Роман Савоченко

Елемент на рисунку 1.5 слугує для динамічного відображення активних порушень у табличному вигляді та із виділенням їх за кольором та текстом. Порушення отримуються із буферу поточних-активних порушень OpenSCADA. Фактично елемент реалізує функції примітиву "Протокол" для порушень та із розширенням можливостей.

Сортування повідомлень зафіксовано за правилом "активні + найбільший рівень + останні" для повідомлень нагорі, що можна змінити лише редагуванням вихідного тексту елементу.

Для детального вивчення актуальних порушень елементом передбачено функцію збільшення висоти угору або униз за отриманням фокусу.

Елемент створено, та він зазвичай використовується, у парі з кадром повноформатного представлення історії порушень, який наділено більшістю функцій цього елементу, але і для історії порушень.

Основним користувацьким розширенням є можливість визначення видимих полів таблиці із переліку варіантів:

At.png Цей елемент та його поля загалом репрезентують структуру повідомлення порушення, яку детально описано у посібнику користувача.

Як можна бачити із переліку можливих полів таблиці, цей елемент підтримує механізм підтвердження (квітації), коментування та користувацькі поля.

Рис.1.5. Елемент "Порушення — активне" у режимі розробки та виконання (згори додолу).

Використання — розробка
Цей віджет може бути використано розробником при створені мнемосхем з постійним відображенням активних порушень або для загального їх відображення на кореневій сторінці. Для використання потрібно додати цей віджет на мнемосхему або кореневу сторінку, підлаштувати горизонтальний, вертикальний розмір, налаштувати вертикальне розширення та відкоригувати інші властивості на кшталт переліку та послідовності відображуваних полів таблиці.

Якщо треба виключити функцію підтвердження то ви маєте виключити час підтвердження "qttm" з переліку полів та встановити елемент неактивним.

Використання — виконання
У режимі виконання будується таблиця із переліку активних порушень, за визначеними полями, правилом сортування та виокремлення; вміст якої періодично та динамічно оновлюється. За обранням таблиці, отримання фокусу, її висота може розширюватися, відобразивши більше повідомлень, якщо цю функцію увімкнено та є відповідність умови із визначеної кількості порушень.

Користувачу надається можливість підтвердити порушення, змінивши значення поля часу підтвердження або за допомогою панелі керування, що спливе за обранням елементу та рядка порушення.

Ще користувач може залишити коментар до порушення, відкоригувавши відповідне поле таблиці.

Властивості зв'язування та конфігурації

Ідентифікатор Ім'я Тип Опис
active Активний Логічний Вимкнути якщо виключено підтвердження, розширення за отримання фокусу та редагування взагалі — суто відображення.
hHdrVis Показувати заголовок: горизонтальний Логічний
vHdrVis Показувати заголовок: вертикальний Логічний
formDtTm Формат дати та часу (%Y-%m-%d %H.%M.%S[.%MS,%US]) Рядок Формат відображення часу порушення та підтвердження.
expOnItems Розширяти при фокусі: елементів (<=0-відключено) Цілий Гранична кількість повідомлень для спрацювання функції розширення елементу, збільшення висоти, за отримання фокусу.
expOnFocus Розширяти при фокусі: пікселів (0-відключено,>-донизу,<-догори) Цілий Встановити у потрібне значення розширення елементу, збільшення висоти, за набуттям фокусу.
colms Стовпчики

Перелік поділений ',' з варіантів: atm, qttm, lev, type, cat, mess, prm, dscr, dscrCust{N}, alrm, cmnt.

Рядок Визначити у потрібну послідовність та наповнення полів.
highLght Правила підсвітлення

Рядки у формі "{lev}[{slev}]{quitt}:{color}:{font}:{fontColor}".

Текст Правила підсвітлення, де:
  • lev — основний рівень повідомлення [0...7];
  • slev — підрівень повідомлення [0...9], опціонально;
  • quitt — ознака підтвердження (квітації) повідомлення [0|1];
  • color — колір фону рядка з повідомленням;
  • font — шрифт тексту рядка з повідомленням;
  • fontColor — колір тексту рядка з повідомленням.

Наприклад:

#<SnthHgl font="monospace">
# <rule expr="^#[^\n]*" color="gray" font_italic="1"/>
# <rule expr="^[0-9]*" color="blue">
#  <rule expr="[01]$" color="red"/>
# </rule>
# <rule expr="(?<=:).*" font_weight="1"/>
#</SnthHgl>
50:gray
40:red
150:yellow
colDscrCustNames Перелік назв користувацьких полів, поділених ';' Рядок (переклад) За підтримки користувацьких полів, та їх видимістю, тут наводяться їх назви.
types Перелік типів за рівнем від 0, поділені ';' Рядок (переклад) Типи-назви порушень за їх рівнем, типово "Налагодж.;Інформ.;Зауваж.;Попередж.;Помилка;Критично;Тривога;Аварія".
messCat Категорія повідомлень Рядок Категорія опрацьовуваних повідомлень порушень, типово порожнє для всіх порушень.


1.6 Властивості об'єкту (objProps)

1.2 GPLv2 * en, uk, ru Роман Савоченко

Елемент на рисунку 1.6 слугує для відображення властивостей джерела даних у табличному вигляді та із виділенням їх кольором, як об'єкт, та надання можливості зміни значення властивостей із правом запису. Також цей елемент генерує повідомлення про порушення згідно до особливостей об'єкту. Елемент загалом використовує та представляє представницьку структуру DAQ-шаблонів "Комплексний об'єкт".

Рис.1.6. Елемент "Властивості об'єкту" у режимі розробки та виконання (зліва праворуч).

Використання — розробка
Цей віджет може бути використано розробником при створені мнемосхем з консолідованим відображенням об'єкту як ціле та сутності із властивостями. Для використання потрібно додати цей віджет на мнемосхему, підлаштувати горизонтальний, вертикальний розмір масштабом та зв'язати з параметром джерела даних за DAQ-шаблоном "Комплексний об'єкт".

Використання — виконання
У режимі виконання відображається таблиця з властивостями у рядках, де перший стовпчик це назва властивості, а другий її значення. Рядок може підсвічуватися фоном аварійного кольору, у випадку порушення за цією властивістю. Особливе значення має й заголовок віджету де відображається назва об'єкту, фон кольору якого може набувати аварійних кольорів, за наявністю порушень у об'єкта.

Таблиця властивостей є активною та за обранням рядка властивості, що передбачає запис, знизу з'явиться поле встановлення значення властивості.

Властивості зв'язування та конфігурації

Ідентифікатор Ім'я Тип Конфігурація Конфігураційний шаблон Опис
objName Об'єкт: ім'я Рядок Вхідний зв'язок Object|NAME Ім'я об'єкту для заголовку.
objDescr Об'єкт: опис Текст Вхідний зв'язок Object|DESCR Опис об'єкту для підказки до заголовку.
objErr Об'єкт: помилка Рядок Вхідний зв'язок Object|err Помилка об'єкту для формування повідомлення та підсвітлення заголовку, опрацьовуються коди концепції.
objItems Об'єкт: елементи Об'єкт Вхідний зв'язок Object|items Описовий об'єкт властивостей фізичного об'єкту, згідно до концепції.


1.7 Календар (calendar)

1.0 GPLv2 * en, uk, ru Роман Савоченко

Елемент на рисунку 1.7 слугує для відображення місяця календаря за тижнями, який передбачає можливість обрання року, місяця та окремого дня, а також перехід на поточний день.

Рис.1.7. Елемент "Календар" у режимі розробки та виконання (зліва праворуч).

Використання — розробка
Цей віджет може бути використано розробником при створені мнемосхем з відображенням календаря. Для використання потрібно додати цей віджет на мнемосхему, підлаштувати горизонтальний, вертикальний розмір масштабом, та використовувати атрибут "selTime" цього віджету для отримання та встановлення дати.

Використання — виконання
У режимі виконання відображається відповідний до обраного рік, місяць та підсвічено день, відповідно до значення атрибуту "selTime".

Користувач має можливість обрати рік та місяця з переліку, а також день у зображені тижнів. Для швидкого повернення до поточної доби передбачено відповідну кнопку.

Властивості зв'язування та конфігурації

Ідентифікатор Ім'я Тип Опис
selTime Обраний час Ціле Час календаря у секундах від UNIX-епохи.


1.8 Погода (weather)

1.0 GPLv2 * en, uk Роман Савоченко

Елемент на рисунку 1.8 використовується для відображення даних погоди із параметрів на DAQ-шаблоні "Погода".

Рис.1.8. Елемент "Погода" у режимі розробки та виконання (зліва праворуч).

Використання — розробка
Цей віджет може бути використано розробником при створені мнемосхем з відображенням погоди. Для використання потрібно додати цей віджет на мнемосхему, підлаштувати горизонтальний, вертикальний розмір масштабом та зв'язати з параметром джерела даних за DAQ-шаблоном "Погода".

Використання — виконання
У режимі виконання відображається поточна погода на горі і прогноз знизу з деталізацією у спливаючій підказці на зображені.

At.png Все ще можуть бути відсутні зображення для деяких погодних умов оскільки вони продовжують додаватися!

Властивості зв'язування та конфігурації

Ідентифікатор Ім'я Тип Конфігурація Конфігураційний шаблон Опис
current Погода: поточне Об'єкт Вхідний зв'язок Parameter|current Об'єкт із поточними даними.
forecast Погода: прогноз Об'єкт Вхідний зв'язок Parameter|forecast Об'єкт із прогнозованими даними.


2 Коренева сторінка (СО) (RootPgSo)

2.7 GPLv2 * en, uk, ru Роман Савоченко 1000 мс

Елемент-кадр, представлений на рисунку 2, слугує базою для створення користувацьких інтерфейсів, пачатково для управління технологічними процесами, заснованими на об'єктах сигналізації (СО).

Коренева сторінка містить чотири області:

Область кнопок-індикаторів об'єктів сигналізації слугує для надання інформації про наявність порушень у об'єкті сигналізації, а також для перемикання між ними.

Для відображення обраного об'єкту сигналізації використовується колір фону, за стилями: backColorButton та backColorButtonSel. А порушення відображаються кольором тексту, відповідно до стилів: labColorGood, labColorWarning, labColorAlarm; та яким текст незквітованого об'єкту сигналізації може блимати.

Кнопки наразі генеруються динамічно, шляхом копіювання першої та єдиної, відповідно до наявних у дереві проекту віртуальних сторінок об'єктів сигналізації з послідовною цифровою ідентифікацією від 1 (один). Обмеження на кількість кнопок, або об'єктів сигналізації, полягає лише у сумарній довжині назв об'єктів сигналізації, які можна розташувати у два ряди цих кнопок. Тобто, за коротких назв можна отримати до близька 100 об'єктів сигналізація. Якщо об'єкт сигналізації один то навіть ця єдина-базова кнопка ховається.

Область навігації за видами відображення — індикація вибору та обрання виду відображення як, наприклад: "Мнемосхеми", "Групи графіків", "Групи контурів", "Документи" та інше; та кнопки гортання або комбобокс прямого обрання кадрів у об'єкті сигналізації.

Простір кнопок видів відображення є динамічним, у сенсі зайняття простору відсутніх, та значення самих видів відображення налаштовується на інше від типового значення, тобто передбачено два основних види відображення (view1 та view2), три допоміжних (view3, view4 та view5), а також один загальний на весь інтерфейс (view6).

Нижче також містяться кнопки квітації, які з'являються за виникнення порушень, а на горі зображення логотипу, яке налаштовується.

Контейнер основних кадрів користувацького інтерфейсу — область контейнеру для включення у нього основних кадрів за обранням їх кнопками режимів відображення або зміни об'єкту сигналізації.

Загальна таблиця активних порушень — містить кольорові рядки актуальних порушень, яких впорядковано за їх важливістю із більш важливими нагорі. Початково віджет вимкнено.

Контейнер панелей управління — область контейнеру для включення до нього панелей управління різними об'єктами у області контейнеру основних кадрів, наприклад — панель параметру, документу, графіку та інше.

Під контейнером панелей управління розташовується кнопка запуску демонстраційного режиму — режиму за яким здійснюється періодичне перемикання показних кадрів, зміна режимів та інших операцій згідно сценарію.

Рис.2a. Кадр "Коренева сторінка (СО)" у режимі розробки.

Використання — розробка
Цей віджет може використовуватися лише у режимі кореневої сторінки, яка має розташовуватися у дереві проекту як елемент "so". Крім цього, довкола головної сторінки має бути розгорнута наступна деревоподібна ієрархія:

/control/* — логічний контейнер, містить різні панелі управління;
/so/ — цей кадр як контейнер, містить логічні контейнери об'єктів сигналізації:
{n}/ — логічний контейнер об'єкту сигналізації n (1...), містить логічні контейнери та шаблони видів відображення:
[view1|mn]/* — вид відображення 1 (зазвичай та раніш це мнемосхеми), містить багато сторінок кінцевих кадрів;
[view2|ggraph]/* — вид відображення 2 (зазвичай та раніш це шаблон групи графіків), містить багато сторінок кінцевих кадрів;
[view3|gcadr]/* — вид відображення 3 (зазвичай та раніш це шаблон групи контурів), містить багато сторінок кінцевих кадрів;
[view4|gview]/* — вид відображення 4 (зазвичай та раніш це шаблон групи оглядових кадрів), містить багато сторінок кінцевих кадрів;
[view5|doc]/* — вид відображення 5 (зазвичай та раніш це логічний контейнер документів), містить багато сторінок кінцевих кадрів;
greg/* — специфічний шаблон сторінки налаштування ПІД-регулятору, містить багато сторінок кінцевої конфігурації ПІД-регуляторів, підключених статично та які викликаються лише кнопкою "ПІД" елементу кадру.
[view6|rg]/ — логічний контейнер глобального виду відображення 6 (зазвичай та раніш це зведені графіки — спільні графіки для всього інтерфейсу):
[view6|rg]/* — вид відображення 6 (зазвичай та раніш це шаблон зведених графіків), містить багато сторінок кінцевих кадрів.

At.png Ідентифікатори сторінок видів відображення, вказані як [view1|mn], мають вказуватися у дереві або за новою схемою "view1", або за старою "mn". Їх змішування не підтримується і елементи огляду не мають бути порожніми, тобто містити принаймні одну активну сторінку!

У якості тексту кнопок об'єктів сигналізації використовується назва логічного контейнеру з відповідним ідентифікатором n. З опису цього контейнеру також береться і текст спливаючої підказки до цієї кнопки, якщо він не порожній.

Всі подальші налаштування та редагування довкола цього кадру треба здійснювати для його копії-посилання у дереві проекту, та наполегливо не рекомендується редагувати його у бібліотеці, інакше Ви втратите можливість оновлення бібліотеки або ці зміни, при її оновленні!

Текст та підказка кнопок видів відображення змінюються безпосередньо у відповідних властивостях цих віджетів. Швидкі клавіші виду відображення беруться з дужок спливаючої підказки, як то "Графіки (CtrlAlt+G)", та відповідно обробляються. Для зміни зображення виду відображення достатньо перевизначити іконку відповідного виду, як то "view1", шляхом завантаження зображення з відповідною назвою до Mime-даних проекту.

Для увімкнення загальної таблиці активних порушень просто встановіть 1 (один) у конфігурації зв'язків кадру для "alarms > en".

Для увімкнення та конфігурації повернення до деякого непривілейованого користувача після деякого часу неактивності, просто встановіть {хвилини)-{користувач} у конфігурації зв'язків кадру для "defUser".

Зображення логотипу можна змінити так само, як і зображення виду відображення, тобто завантажити до Mime-даних проекту нове зображення із назвою "logo", після чого можна підкоригувати геометрію віджету логотипу під потрібні пропорції. Віджет зображення можна перенести ліворуч, посунувши попередньо кнопку об'єкту сигналізації праворуч на розмір логотипу. Якщо логотип у загалі не потрібен то онуліть ширину його віджету, але не видаляйте його!

Панель навігації та контейнер панелей управління потенційно також можна перенести ліворуч, посунувши контейнер основних кадрів, а може й кнопку об'єкту сигналізації праворуч.

За потреби, кореневу сторінку можна доповнити додатковими елементами, що не потребують особливої обробки, тобто — зміна початкової процедури кадру, що вже є не використанням, а редагуванням. At.png Тут треба зауважити, що зменшення розмірів контейнерів призведе до появи смуг гортання та-або вимагатиме коригування кадрів розташування у контейнер, але цього може бути не потрібно здійснювати, враховуючи розширення контейнеру на невикористані рядки кнопок об'єктів сигналізації.

Використання — виконання
При запуску кадру у режимі виконання, спочатку здійснюється побудова кнопок об'єктів сигналізації, які формуються у два ряди, після чого контейнер основних кадрів розширюється у гору на ряд, якщо вистачило одного, або на два, якщо об'єкт сигналізації один. Далі формуються кнопки видів відображення, наявні з яких активуються та розширюються для заповнення місця відсутніх.

Після динамічного формування, кадр здійснює періодичний контроль за зміною кадру у контейнері основних кадрів, що відображається відповідним кольором фону у кнопці об'єкту сигналізації та виду відображення, до яких кадр належить. Між кнопками гортання оновлюється інформація про загальну кількість кадрів та позицію актуального, а також самі кнопки активуються згідно до можливості гортання у актуальній позиції кадру. Для комбобоксу прямого обрання кадру з переліку, відповідно здійснюється формування актуального переліку кадрів та встановлення назви поточного. Також здійснюється контроль стану порушення-повідомлення за об'єктами сигналізації, який відповідно відображається кольором тексту кнопок об'єкту сигналізації та його миготінням, а також активуються або дизактивуються кнопки квітації.

At.png Кадр наразі підтримує функціювання із дуже великим значенням "Період опрацювання" або й вимкнення періодичного опрацювання взагалі (значення -2) та це значення також розповсюджується до дочірніх сторінок та віджетів якщо вони бажають такої поведінки (значення -1). Це можливе завдяки механізму раннього опрацювання подій та можливості контролю періодичності опрацювання із процедури.

Зміна кадру у контейнері панелей управління не відстежуються та вони загалом викликаються із інтерфейсу основних кадрів, хіба-що він очищується зі зміною основного кадру шляхом відкриття панелі-заглушки.

З основних дій, кадром надається можливість користувачу обрати об'єкт сигналізації, вид відображення та відповідний кадр. Натиснувши кнопку об'єкту сигналізації, виду відображення, прямо обравши у комбобоксу або погортавши; результатом чого є виклик відповідного кадру у контейнері основних кадрів. Із допоміжних дій, користувач може сквітувати порушення-повідомлення та запустити Демо-режим, якщо він передбачений. Типове налаштування кадру передбачає обслуговування низки гарячих клавіш, як то CtrlAlt+[1...0] для виклику об'єктів сигналізації від 1 до 10, та CtrlAlt+[MGCVDR] для виклику відповідних видів відображення.

Рис.2b. Кадр "Коренева сторінка (СО)" у режимі виконання.

Властивості зв'язування та конфігурації

Ідентифікатор Ім'я Тип Опис
alarms > en (конфігурація) Сигнали > Ввімкнено Логічний Увімкнення загальної таблиці активних порушень
defUser (конфігурація) Типово для повернення, {хвилини)-{користувач} Рядок Увімкнення та конфігурація повернення до деякого непривілейованого користувача після деякого часу неактивності, рядком {хвилини)-{користувач}.
demoPlayProc Проц. програвання демо Текст Процедура на мові JavaLikeCalc для програвання деякої демонстрації. Вмикає кнопку Демо-режиму у режимі виконання. Для прикладу такої процедури дивіться демонстраційні-проекти АГЛКС та Котел!
Специфічні до візуалізатору атрибути для UI.Vision (більше) та UI.WebVision (більше)
keepAspectRatio Зберігати пропорцію при масштабуванні Логічний Зберігати пропорцію сторінок при масштабуванні.
stBarNoShow Не показувати рядок статусу Логічний Приховати рядок статусу головного вікна.
Специфічні до візуалізатору атрибути для UI.Vision (більше)
runWin Вікно виконання Обрання цілих чисел Встановлення режиму виконання головного вікна:
  • "Оригінальний розмір (0)".
  • "Максимізувати (1)".
  • "На весь екран (2)".
statLine Елементи рядку статусу Текст Текстове поле з описом елементів рядка статусу користувача.
winPosCntrSave Управління та збереження положення вікон Логічний Ввімкнення управління та збереження положення вікон виконання.
Основні процедури механізму повідомлень
notify0 Повідомлення: тип 0 (Світло) Текст
notify1 Повідомлення: тип 1 (Гудок) Текст
notify2 Повідомлення: тип 2 (СинтезМови) Текст

3 Основні кадри

Містить елементи-кадри шаблонного та кінцевого типів, а також елементи-віджети та панелі з яких вони будуються та які дотичні до їх використання. Ці кадри призначено для розташування у дереві сторінок проекту, побудованого за концепцією об'єктів сигналізації кореневої сторінки "RootPgSo". Однак вони можуть бути розташовані як окремі сутності або у складі власної концепції керування сторінками, але тут треба враховувати, що кадри часто посилаються та викликають ті або інші панелі керування загального застосування та пов'язані елементи!


3.1 Група графіків (grpGraph); Група графіків 10 (grpGraph10)

1.6 GPLv2 * en, uk, ru Роман Савоченко -1 мс (предок)

Елемент-кадр представлений на рисунку 3.1 слугує для одночасного спостереження трендів та управління параметрами у об'єкті сигналізації, включає у себе екземпляри віджету "Елемент групи графіків" кожного параметру (до 8 або 10) і віджет "Діаграма" для спостереження за графіками параметрів та перегляду історії, а також горизонтальну стрічку гортання для швидкої навігації за доступною історією обраних для відображення параметрів. Варіант у 10 трендів успадковано від базового варіанту у 8 трендів і ви можете створити власні варіанти спадкуючи базу і додати більше елементів групи графіків.

Рис.3.1a. Кадр "Група графіків" у режимі розробки.

Використання — розробка
Кадр призначено для виконання ролі сторінки-шаблону, а, відповідно, він має безпосередньо розташовуватися у дерево проекту. У проекті-шаблоні "Групи сигналізацій", для кожного об'єкту сигналізації, цей кадр включено у ролі шаблону, що дозволяє створювати на його основі багато сторінок груп графіків. До кожного кадру можуть підключатися до восьми-десяти параметрів, шляхом встановлення зв'язків. Графіки, для яких не буде встановлено зв'язку, будуть приховані при виконанні або доступні для користувацького обрання у випадку наявності переліку обраних параметрів у атрибуті "Вибір: параметри доступні для обрання" (формат переліку описано у діалозі обрання параметрів).

Типову глибину трендів у минуле встановлено у 10 хвилин — для поточного оперативного контролю, що, за потреби, можна змінити безпосередньо відредагувавши відповідне поле віджету діаграми, наприклад, для шаблонної сторінки проекту, щоб воно розповсюдилося на всі кінцеві сторінки.

Використання — виконання
У режимі виконання відображаються графіки, для яких встановлено зв'язки. Керування параметрами з елементів групи графіків детально описано у розділі віджету "Елемент групи графіків (ElViewGraph)". Додатково можна керувати властивостями відображення графіків, для чого автоматично з цією сторінкою відкривається панель управління графіком, або необхідно лівою клавішею миші натиснути у область графіку.

At.png Кадр наразі підтримує функціювання із дуже великим значенням "Період опрацювання" та це значення наразі встановлено для спадкування від батьківської сторінки/сеансу (значення -1). Це можливе завдяки механізму раннього опрацювання подій та можливості контролю періодичності опрацювання із процедури.

Рис.3.1b. Кадр "Група графіків" у режимі виконання.

Властивості зв'язування та конфігурації

Ідентифікатор Ім'я Тип Конфігурація Конфігураційний шаблон Опис
name Ім'я рядок Постійна Ім'я групи
allowSelLst Вибір: параметри дозволені для обрання Текст Немає Помістіть сюди параметри для обрання користувачем, переліком DAQ-шляхів до них (детальніше дивіться у діалозі "Вибір параметру графіку"):
/LogicLev/proc/prm_CPU/prm_load
/LogicLev/proc/prm_MEM/prm_use
/LogicLev/proc/prm_CPU/prm_T 
perUserSel Обрання: зберігати обрання за користувачем Логічний Немає Встановіть для збереження користувацького вибору окремо
Елемент {n} від 1 до 8(10)
el{n} Перелік пов'язаних атрибутів відповідає переліку віджету "Елемент групи графіків (ElViewGraph)"


3.1.1 Елемент групи графіків (ElViewGraph)

1.5 GPLv2 * en, uk, ru Роман Савоченко 2000 мс

Елемент-віджет, представлений на рисунку 3.1.1, слугує для створення груп графіків. Віджет містить інформацію про параметр, режим регулятору, якщо параметр є таким, одиницю виміру аналогового параметру, а також колір, що відповідає параметру тренда. Віджет загалом використовує та представляє представницьку структуру DAQ-шаблонів "Аналоговий сигнал" та "Дискретний блок".

Рис.3.1.1a. Віджет "Елемент групи графіків" у режимі розробки.

Використання — розробка
Хоча даний віджет не призначено для самостійного використання у відриві від групи графіків, використовувати його можна, наприклад, помістивши на мнемосхему та встановивши зв'язок з параметром джерела даних.

Використання — виконання
У режимі виконання, у основному полі елементу, відображається назва параметру, режим регулятору (тільки для регулятору), поточне значення-змінна та одиниця виміру цього параметру; які, залежно від наявності порушення, відображаються кольором стилю: labColorGood, labColorWarning, labColorAlarm. За апаратних помилок та недостовірності даних, останнє значення відображається сірим кольором.

Окрім безпосередньо доступних візуальних даних, надається низка елементів контролю:

Віджет зберігає обраний користувачем параметр у таблиці сеансу проекту та завантажує параметр при наступному запуску, включно з кольором тренду, типове значення якого зазвичай береться зі стилю.

At.png Віджет наразі підтримує функціювання із дуже великим значенням "Період опрацювання" та це значення наразі встановлено для спадкування від батьківського віджету/сторінки/сеансу (значення -1). Це можливе завдяки механізму раннього опрацювання подій та можливості контролю періодичності опрацювання із процедури.

Рис.3.1.1b. Віджет "Елемент групи графіків" у режимі виконання.

Властивості зв'язування та конфігурації

Ідентифікатор Ім'я Тип Конфігурація Конфігураційний шаблон Опис
name Ім'я Рядок Вхідний зв'язок Parametr|NAME Ім'я-шифр параметру, для відображення у полі назви.
dscr Опис Текст Вхідний зв'язок Parameter|DESCR Ім'я параметру, для розташування до tooltip та statusbar.
addr Адреса Адреса Вхідний зв'язок Parameter|var Адреса до атрибуту значення параметру для побудови графіку.
color Колір графіку Рядок Немає Робочій колір тренду
colorDef Типовий колір зі стилю Рядок Немає Типовий колір тренду на рівні кадру
Аналогові параметри
ed Одиниця виміру Рядок Вхідний зв'язок Parameter|ed
prec Точність Цілий Вхідний зв'язок Parameter|prec Кількість знаків після точки, для позитивних значень, та точність (знаків загалом), для негативних, для відображення кінцевого реального значення на екрані.
log Логарифмічна шкала Логічний Вхідний зв'язок Parameter|log
max Максимум Реальний Вхідний зв'язок Parameter|max Верхня межа значення параметру.
min Мінімум Реальний Вхідний зв'язок Parameter|min Нижня межа значення параметру.
aMax Границя верхня аварійна Реальний Вхідний зв'язок Parameter|aMax
aMin Границя нижня аварійна Реальний Вхідний зв'язок Parameter|aMin
wMax Границя верхня попереджув. Реальний Вхідний зв'язок Parameter|wMax
wMin Границя нижня попереджув. Реальний Вхідний зв'язок Parameter|wMin
pModeA Режим регулятору: автомат Логічний Вхідний зв'язок Parameter|auto Режим регулятору "Автомат".
pModeC Режим регулятору: каскад Логічний Вхідний зв'язок Parameter|casc Режим регулятору "Каскад".
Дискретні параметри
digComs Дискретний: команди Рядок Постійна Найменування та колір кнопок команд у форматі {On}[-color]:{Off}[-color][:{Stop}[-color]]. Кольори по замовченню: зелений, червоний та жовтий.
digStts Дискретний: стани Рядок Постійна Найменування та колір надписів станів у форматі {On}[-color]:{Off}[-color]. Кольори по замовченню: зелений та червоний.
digRevers Дискретний: реверс Логічний Постійна Реверс дискретного сигналу.


3.1.2 Вибір параметру графіку (graphSelPrm)

1.5 GPLv2 * en, uk, ru Роман Савоченко -1 мс (предок)

Елемент, представлений на рисунку 3.1.2, реалізує діалог користувацького вибору джерел даних, часто архівних, для формування графіку у кадрі "Група графіків". Вибір надається з переліку вказаного у атрибуті "Вибір: параметри дозволені для обрання (allowSelLst)", кадру-ініціатору. Для обраного джерела можна вказати ім'я, шкалу, логарифмічність, одиницю вимірювання та колір графіку.

У атрибуті "Вибір: параметри дозволені для обрання (allowSelLst)" мають розташовуватися джерела даних у вигляді:

Приклади вмісту атрибуту "Вибір: параметри дозволені для обрання (allowSelLst)":

/System/AutoDA/prm_CPULoad/load:CPU Load:0:100:%
/LogicLev/gen/prm_F3
<varhs>
Рис.3.1.2. Кадр "Вибір параметру графіка" у режимі розробки та виконання.

Використання — розробка
Цей кадр має бути розташовано у логічному контейнері панелей дерева проекту. У "Групах графіків", які повинні надавати можливість користувацького вибору джерела, має бути визначено атрибут "Вибір: параметри дозволені для обрання (allowSelLst)", переліком джерел згідно правил визначених вище. Як результат, у контекстному меню елементу графіка з'явиться пункт "Вибір".

Використання — виконання
Виклик діалогу здійснюється за посередництвом пункту "Вибір", контекстного меню елементу графіка. Діалогом користувачу надається вибір джерела даних з переліку, а також визначення основних його параметрів: назва, шкала, логарифмічність, одиниця вимірювання та колір графіку, який ви також можете обрати типовим/стильовим через очищення. За підтвердження, обрані параметри застосовуються до елементу графіка, замінюючи посилання. Обрання та підтвердження пункту "<Очистити>" призведе до очищення всіх посилань та елементу графіку. У текстовому полі, під переліком, можна швидко знайти потрібний параметр.


3.1.3 Обчислення параметру графіку (graphCalc)

1.0 GPLv2 * en, uk, ru Роман Савоченко

Елемент, представлений на рисунку 3.1.3, реалізує діалог користувацького обчислення параметру обраного графіку для видимих на графіку даних. Користувачу надається можливість обрати обчислення із вбудованої бібліотеки, привілейований користувач ("root" або у групі "ITW") має можливість відредагувати або написати власну процедуру обчислення.

Загалом, вбудована бібліотека наразі містить наступні функції користувацького обчислення:

Рис.3.1.3. Кадр "Обчислення параметру графіку" у режимі розробки та виконання.

Використання — розробка
Цей кадр має бути розташовано у логічному контейнері панелей дерева проекту.

Використання — виконання
Виклик діалогу здійснюється за посередництвом пункту "Обчислення", контекстного меню елементу графіка. Діалогом користувачу надається вибір функції обчислення видимих даних обраного параметру та можливість відредагувати-написати власну функцію, для привілейованого користувача. Результат обчислення розташовується у відповідному текстовому полі.


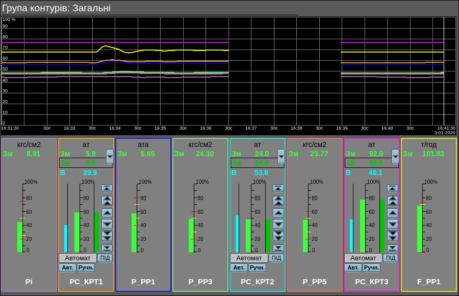
3.2 Група контурів (grpCadr)

1.3 GPLv2 * en, uk, ru Роман Савоченко -1 мс (предок)

Елемент-кадр, представлений на рисунку 3.2, слугує для одночасного спостереження та управління контурами декількох параметрів, до восьми, включає у себе як екземпляри віджету "Елемент кадр" для кожного контуру, так і примітив "Діаграма" для спостереження за трендами контурів та перегляду історії.

Рис.3.2a. Кадр "Група контурів" у режимі розробки.

Використання — розробка
Кадр призначено для виконання ролі сторінки-шаблону, а, відповідно, він має безпосередньо розташовуватися у дерево проекту. У проекті-шаблоні "Групи сигналізацій", для першого об'єкту сигналізації, цей кадр включено у ролі шаблону, що дозволяє створювати на його основі багато сторінок груп контурів. До кожного кадру можуть підключатися до восьми параметрів, шляхом встановлення зв'язків. Контури та графіки, для яких не буде встановлено зв'язку, будуть приховані при виконанні.

Типову глибину трендів у минуле встановлено у 10 хвилин — для поточного оперативного контролю, що, за потреби, можна змінити безпосередньо відредагувавши відповідне поле віджету діаграми, наприклад, для шаблонної сторінки проекту, щоб воно розповсюдилося на всі кінцеві сторінки.

Використання — виконання
У режимі виконання відображаються контури та графіки, для яких встановлено зв'язки. Управління параметрами з контурів детально описано у розділі панелі "Елемент кадр". На додачу до цього можна керувати властивостями відображення графіків, для чого потрібно лівою клавішею миші натиснути у області графіку та за допомогою панелі управління графіком, що з'явиться, здійснити потрібні дії.

At.png Кадр наразі підтримує функціювання із дуже великим значенням "Період опрацювання" та це значення наразі встановлено для спадкування від батьківської сторінки/сеансу (значення -1). Це можливе завдяки механізму раннього опрацювання подій та можливості контролю періодичності опрацювання із процедури.

Рис.3.2b. Кадр "Група контурів" у режимі виконання.

Властивості зв'язування та конфігурації

Ідентифікатор Ім'я Тип Конфігурація Конфігураційний шаблон Опис
grpName Ім'я групи Рядок Стала Ім'я групи
Елемент {n} от 1 до 8.
el{n} Перелік зв'язуваних атрибутів відповідає переліку панелі "Елемент кадр (ElCadr)"


3.3 Група оглядових кадрів (ViewCadr)

1.1 GPLv2 * en, uk, ru Роман Савоченко -1 мс (предок)

Елемент-кадр, представлений на рисунку 3.3, слугує для відображення поточних трендів параметрів у окремих кадрах-віджетах кількістю до 24 одиниць (6x4), стосовно яких підтримується масштабування залежно від їх конфігурованої кількості. Кадри-віджети трендів параметрів реалізуються супутнім віджетом "Кадр оглядової групи".

Рис.3.3a. Кадр "Група оглядових кадрів" у режимі розробки.

Використання — розробка
Кадр призначено для виконання ролі сторінки-шаблону, а, відповідно, він має безпосередньо розташовуватися у дерево проекту. У проекті-шаблоні "Групи сигналізацій", для першого об'єкту сигналізації, цей кадр включено у ролі шаблону, що дозволяє створювати на його основі багато сторінок оглядових груп. До кожного кадру можуть підключатися до 24 параметрів, шляхом встановлення зв'язків. Кадри-віджети, для яких не буде встановлено зв'язку, будуть приховані при виконанні, та здійснено пропорційне масштабування на відсутні повні рядки та стовпчики з метою заповнення всього кадру.

Використання — виконання
У режимі виконання відображаються кадри-віджети, для яких встановлено зв'язки. Управління параметрами з кадрів-віджетів детально описано у розділі віджету "Кадр оглядової групи".

Рис.3.3b. Кадр "Група оглядових кадрів" у режимі виконання.

Властивості зв'язування та конфігурації

Ідентифікатор Ім'я Тип Конфігурація Конфігураційний шаблон Опис
name Ім'я Рядок Стала Ім'я кадру
Кадр-віджет {r}_{c}, де рядки {r} від 1 до 4 та стовпчики {c} від 1 до 6.
el{r}_{c} Перелік зв'язуваних атрибутів відповідає переліку віджету "Кадр оглядової групи (ElViewCadr)"


3.3.1 Кадр групи огляду (ElViewCadr)

1.2 GPLv2 * en, uk, ru Роман Савоченко -1 мс (предок)

Елемент-віджет, представлений на рисунку 3.3.1, слугує основою групи оглядових кадрів та зазвичай не використовується самостійно. Віджет відображає текстову інформацію про параметр у вигляді найменування та значення, а також тренд параметру за невеликий проміжок часу (2 хвилини) для спостереження за поточною тенденцією поведінки параметру з авто-масштабуванням за шкалою значення. Віджет загалом використовує та представляє представницьку структуру DAQ-шаблону "Аналоговий сигнал".

Рис.3.3.1. Віджет "Кадр групи огляду" у режимі розробки та виконання (зліва праворуч).

Використання — розробка
Хоча даний віджет не призначено для самостійного використання, у відриві від групи огляду, використовувати його таки можна, наприклад, помістивши на мнемосхему та встановивши зв'язок з параметром джерела даних.

Використання — виконання
У режимі виконання, у основному полі елементу, відображається назва параметру, поточне значення-змінна та тренд параметру; які завжди відображаються кольором стилю: labColorGood.

У активному режимі елементу можна отримати паспорт, натиснувши праву клавішу миші на полі віджету. У паспорті будуть представлені всі властивості параметру. За натиском лівої клавіші миші у області панелей з'явиться панель управління параметром, та вибір даного віджету буде відображатися блимаючою рамкою.

At.png Віджет наразі підтримує функціювання із дуже великим значенням "Період опрацювання" та це значення наразі встановлено для спадкування від батьківського віджету/сторінки/сеансу (значення -1). Це можливе завдяки механізму раннього опрацювання подій та можливості контролю періодичності опрацювання із процедури.

Властивості зв'язування та конфігурації

Ідентифікатор Ім'я Тип Конфігурація Конфігураційний шаблон Опис
name Ім'я Рядок Вхідний зв'язок Parameter|NAME Ім'я параметру (шифр) для відображення у полі назви.
addr Адреса Адреса Вхідний зв'язок Parameter|var Адреса до атрибуту значення параметру для побудови тренду.
var Змінна Реальний Вхідний зв'язок Parameter|var Безпосередньо значення параметру для відображення у полі значень.


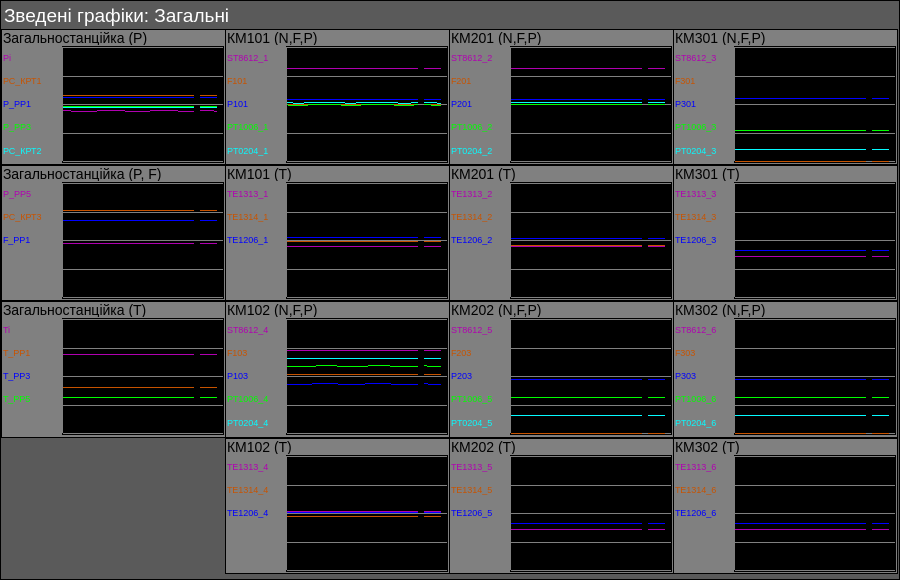
3.4 Зведені графіки (ResultGraph)

1.1 GPLv2 * en, uk, ru Роман Савоченко -1 мс (предок)

Елемент-кадр, представлений на рисунку 3.4, слугує для відображення групи поточних трендів параметрів (до 5) у окремих кадрах-віджетах кількістю до 16 одиниць (4x4), стосовно яких підтримується масштабування залежно від їх конфігурованої кількості. Кадри-віджети трендів параметрів реалізуються супутнім віджетом "Кадр зведених графіків".

Разом загальна кількість відображуваних графіків на одному кадрі сягає 80 та він призначений для формування окремого виду відображення, що застосовується поза об'єктів сигналізації — глобально за всім проектом візуалізації.

At.png Кадр не підтримує ніякого керування.

Рис.3.4a. Кадр "Зведені графіки" у режимі розробки.

Використання — розробка
Кадр призначено для виконання ролі сторінки-шаблону, а, відповідно, він має безпосередньо розташовуватися у дерево проекту. У проекті-шаблоні "Групи сигналізацій", на рівні кореневої сторінки для нього передбачено спеціальну віртуальну сторінку "Зведені графіки" з шаблоном зведених графіків, що дозволяє створювати на його основі багато сторінок зведених графіків. До кожного кадру можуть підключатися до 80 параметрів, шляхом встановлення зв'язків. Кадри-віджети, для яких не буде встановлено жодного зв'язку, будуть приховані при виконанні, та здійснено пропорційне масштабування на відсутні повні рядки та стовпчики з метою заповнення всього кадру.

Використання — виконання
У режимі виконання відображаються кадри-віджети, для яких встановлено зв'язки.

Рис.3.4b. Кадр "Зведені графіки" у режимі виконання.

Властивості зв'язування та конфігурації

Ідентифікатор Ім'я Тип Конфігурація Конфігураційний шаблон Опис
grpName Ім'я групи Рядок Стала Ім'я групи
Кадр-віджет {n} від 1 до 16.
el{n} Перелік зв'язуваних атрибутів відповідає віджету "Кадр зведених графіків (ResultGraphEl)".


3.4.1 Кадр зведених графіків (ResultGraphEl)

1.2 GPLv2 * en, uk, ru Роман Савоченко -1 мс (предок)

Елемент-віджет, представлений на рисунку 3.4.1, слугує основою зведених графіків та зазвичай не використовується самостійно. Віджет відображає назву групи та до п'яти трендів, з їх текстовими мітками, за фіксований проміжок часу (10 хвилин) для спостереження за поточною тенденцією поведінки параметрів. Віджет загалом використовує та представляє представницьку структуру DAQ-шаблону "Аналоговий сигнал".

Рис.3.4.1. Віджет "Кадр зведених графіків" у режимі розробки та виконання (зліва праворуч).

Використання — розробка
Хоча даний віджет не призначено для самостійного використання, у відриві від зведених графіків, використовувати його таки можна, наприклад, помістивши на мнемосхему та встановивши зв'язок з параметром джерела даних.

Використання — виконання
У режимі виконання, у основному полі елементу, відображається заголовок групи, заголовки та тренди параметрів у визначених конфігурацією або стилем кольорах.

At.png Віджет наразі підтримує функціювання із дуже великим значенням "Період опрацювання" та це значення наразі встановлено для спадкування від батьківського віджету/сторінки/сеансу (значення -1). Це можливе завдяки механізму раннього опрацювання подій та можливості контролю періодичності опрацювання із процедури.

Властивості зв'язування та конфігурації

Ідентифікатор Ім'я Тип Конфігурація Конфігураційний шаблон Опис
title Заголовок Рядок Стала Відображається нагорі графіку, за відсутності поле графіку розширюється нагору.
Параметр {n} від 1 до 5.
p1_addr Параметр{n}: адреса Адреса Вхідний зв'язок Parameter {n}|var Адреса до атрибуту значення параметру для побудови графіку {n}.
p{n}_clr Параметр{n}: колір Колір Зі стиля labColorGrph{n}
p{n}_max Параметр{n}: максимум Реальний Вхідний зв'язок Parameter {n}|max Максимальна границя графіку.
p{n}_min Параметр{n}: мінімум Реальний Вхідний зв'язок Parameter {n}|min Мінімальна границя графіку.
p{n}_name Параметр{n}: ім'я Рядок Вхідний зв'язок Parameter {n}|NAME Коротке ім'я параметру для відображення у полі ліворуч.


3.5 Панель налаштування регулятору (cntrRegul)

1.2 GPLv2 * en, uk, ru Роман Савоченко

Елемент-кадр, представлений на рисунку 3.5, слугує для налаштування ПІД-регулятору, включає в себе інформацію про параметр-регулятор, поля налаштувань регулятору та примітив "Діаграма", для спостереження за трендами регулятору та перегляду історії. Кадр загалом використовує та представляє представницьку структуру DAQ-шаблону аналогового та імпульсного ПІД-регуляторів.

Рис.3.5a. Кадр "Панель налаштування регулятору" у режимі розробки.

Використання — розробка
Кадр може використовуватися як у ролі панелі, що викликається із панелі управління параметрами, так і у ролі сторінки-шаблону. Кадр має безпосередньо розташовуватися у дереві проекту, а саме у контейнері панелей, де буде здійснюватися динамічне зв'язування на параметр регулятору. Для створення статичного переліку контурів налаштувань регуляторів, з можливістю подальшого гортання за ними, необхідно розташувати їх до контейнеру контурів регуляторів "greg" кожного об'єкту сигналізації та статично зв'язати з відповідним параметром, а також забезпечити рівність ідентифікатору панелі та пов'язаного параметру.

Типову глибину трендів у минуле встановлено у 20 хвилин — для поточного оперативного контролю, що, за потреби, можна змінити безпосередньо відредагувавши відповідне поле віджету діаграми.

Використання — виконання
У режимі виконання відображається:

Користувач має можливість змінити коефіцієнти ПІД-регулятору, режим, завдання, вихід та одразу-ж побачити реакцію на графіку. Крім цього, користувач може вивчити історію роботи регулятору, для чого потрібно лівою клавішею миші натиснути у області графіку та, за допомогою панелі управління графіком, що з'явилася, здійснити необхідні дії навігації. Для повернення панелі параметру регулятора необхідно лівою клавішею миші натиснути у вільну область даного кадру.

Рис.3.5b. Кадр "Панель налаштування регулятору" у режимі виконання.

Властивості зв'язування та конфігурації

Ідентифікатор Ім'я Тип Конфігурація Конфігураційний шаблон Опис
SHIFR Параметр: шифр Рядок Вхідний зв'язок Parameter|SHIFR
NAME Параметр: шифр Рядок Вхідний зв'язок Parameter|NAME
DESCR Параметр: опис Рядок Вхідний зв'язок Parameter|DESCR
max Параметр: максимум шкали Реальний Вхідний зв'язок Parameter|max
min Параметр: мінімум шкали Реальний Вхідний зв'язок Parameter|min
ed Параметр: одиниця виміру Рядок Вхідний зв'язок Parameter|ed
prec Параметр: точність Цілий Вхідний зв'язок Parameter|prec Кількість знаків після коми у значенні та завданні параметру ПІД.
var Параметр: змінна Реальний Вхідний зв'язок Parameter|var
var_addr Параметр: адреса змінної Адреса Вхідний зв'язок Parameter|var Адреса для побудови графіку змінної.
ПІД-регулятор
auto_addr Параметр: автомат Адреса Вхідний зв'язок Parameter|auto Адреса для побудови графіку режиму "Автомат".
sp Параметр: завдання Реальний Вхідний зв'язок Parameter|sp
sp_addr Параметр: адреса завдання Адреса Вхідний зв'язок Parameter|sp Адреса для побудови графіку завдання.
out Параметр: вихід Реальний Вхідний зв'язок Parameter|out
out_addr Параметр: адреса виходу Адреса Вхідний зв'язок Parameter|out Адреса для побудови графіку аналогового виходу.
Hdwn Параметр: нижня границя виходу Реальний Повний зв'язок Parameter|Hdwn Обмеження значення аналогового виходу по низу.
Hup Параметр: верхня границя виходу Реальний Повний зв'язок Parameter|Hup Обмеження значення аналогового виходу по верху.
Kp Параметр: коеф. пропорційності Реальний Повний зв'язок Parameter|Kp
Ki Параметр: коеф. пропорційності інтегралу Реальний Повний зв'язок Parameter|Ki
Ti Параметр: час інтегрування Реальний Повний зв'язок Parameter|Ti
Kd Параметр: коеф. пропорційності похідної Реальний Повний зв'язок Parameter|Kd
Td Параметр: час диференцювання Реальний Повний зв'язок Parameter|Td
Tzd Параметр: час затримки похідної частини Реальний Повний зв'язок Parameter|Tzd
Zi Параметр: зона нечутливості Реальний Повний зв'язок Parameter|Zi
K1 Параметр: коеф. входу 1 Реальний Повний зв'язок Parameter|K1
K2 Параметр: коеф. входу 2 Реальний Повний зв'язок Parameter|K2
K3 Параметр: коеф. входу 3 Реальний Повний зв'язок Parameter|K3
K4 Параметр: коеф. входу 4 Реальний Повний зв'язок Parameter|K4
Імпульсний ПІД-регулятор
impQdwn_addr Параметр: адреса імпульсного виходу донизу Адреса Вхідний зв'язок Parameter|impQdwn Адреса для побудови графіку імпульсного виходу "Вниз".
impQup_addr Параметр: адреса імпульсного виходу догори Адреса Вхідний зв'язок Parameter|impQup Адреса для побудови графіку імпульсного виходу "Вверх".
KImpRfact Параметр: рейтинг фактор Реальний Повний зв'язок Parameter|KImpRfact Асиметрія у генерації ширини імпульсу вверх та вниз.
TImpMin Параметр: мінімальний час імпульсу Цілий Повний зв'язок Parameter|TImpMin Генеруються імпульси починаючи з вказаної ширини.
TImpPer Параметр: період імпульсів Цілий Повний зв'язок Parameter|TImpPer Періодичність повторення генерації імпульсу.


3.6 Порушення — стан (alarmsSt)

1.5 GPLv2 * en, uk, ru Роман Савоченко

Елемент-кадр на рисунку 3.6 слугує для відображення історії порушень та динамічного їх оновлення на поточний час у повноформатному табличному вигляді, із виділенням їх за кольором та текстом та можливістю багаторівневого фільтрування. Порушення отримуються із буферу поточних-активних порушень OpenSCADA та архіву(ів), визначеного конфігураційним полем "alArch". Фактично елемент реалізує функції примітиву "Протокол" для порушень та із розширенням можливостей.

Загалом кадр містить елементи:

Згідно до оголошеного переліку елементів контролю, сортування повідомлень може змінюватися користувачем, як шляхом вбудованого механізму сортування стовпчиків окремо взятого візуалізатору, так і на рівні моделі даних, якщо візуалізатором такої функції не передбачено. Враховуючи основне призначення кадру — стан порушень (тобто історія), типовим правилом сортування є "останні" для повідомлень нагорі.

Кадр створено, та він зазвичай використовується, у парі з віджетом динамічного відображення активних порушень, який наділено основними функціями цього кадру, але лише для активних порушень та у малому віджеті.

Основним користувацьким розширенням є можливість визначення видимих полів таблиці із переліку варіантів:

At.png Цей кадр та його поля загалом репрезентують структуру повідомлення порушення, яку детально описано у посібнику користувача.

Як можна бачити із переліку можливих полів таблиці, цей кадр підтримує механізм підтвердження, коментування та користувацькі поля.

Рис.3.6a. Кадр "Порушення — стан" у режимі розробки.

Використання — розробка
Віджет призначено для виконання ролі сторінки, відповідно він має безпосередньо розташовуватися у дерево проекту. Після додання, для кадру треба відкоригувати властивості на кшталт переліку та послідовності відображуваних полів таблиці.

At.png Оскільки кадр передбачає відображення стану та історії порушень, то створення та використання архіватору повідомлень є обов'язковим. Тому створіть або використайте шаблонний архіватор стартового проекту "Порушення (alarms)" із опціями виключення дублювання, та вкажіть його (FSArch.alarms) у властивості кадру "alArch".

Комбобокс обрання правила сортування по замовченню вимкнено із міркувань використання вбудованої функції сортування за стовпчиком таблиці відповідного візуалізатору. Якщо такої функції візуалізатором не надається то увімкніть цей комбобокс.

Якщо треба виключити функцію підтвердження то ви маєте виключити час підтвердження "qttm" з переліку полів та встановити елемент таблиці неактивним.

Побудову звіту за поточними даними у таблиці також, по замовченню, вимкнено. Для увімкненням ви маєте розташувати кадр звіту порушень у логічному контейнері панелей дерева проекту, а потім увімкнути характерну кнопку генерації звітів у правому верхньому куту цьому кадрі.

Використання — виконання
У режимі виконання будується таблиця із переліку активних порушень, для поточного часу, та порушень з історії за визначеними полями, із контролем та відзначенням активності та правилом виокремлення; вміст якої періодично та динамічно оновлюється для поточного часу.

Визначити часовий проміжок даних у таблиці користувач може за допомогою панелі навігації, вказавши вершину та глибину потрібних даних. У процесі запиту надто щільних проміжків даних читатися буде лише визначена у властивості messLim кількість повідомлень та для переходу до наступного шматка користувач може скористатися кнопкою за панеллю навігації, яка з'явиться у такому випадку.

Отримані у таблиці дані можна відфільтрувати за вмістом відповідно обраного стовпчика, що можна здійснити на до п'яти рівнях, елементи фільтрування яких з'являтимуться за обранням останнього рівня фільтрування.

Користувачу надається можливість підтвердити порушення, змінивши значення поля часу підтвердження або за допомогою панелі керування, що спливе за обранням елементу таблиці та рядка порушення. Також користувач може підтвердити всі активні порушення, натиснувши кнопку масового підтвердження.

У випадку наявності у візуалізатору функції сортування за стовпчиком, або ввімкнення сортування на рівні моделі даних, користувач може обрати стовпчик за вмістом якого сортувати рядки таблиці.

Ще користувач може залишити коментар до порушення, відкоригувавши відповідне поле таблиці.

Для генерації окремого звіту користувач може натиснути характерну кнопку у правому верхньому куту, якщо таку функцію увімкнено.

Рис.3.6b. Кадр "Порушення — стан" у режимі виконання.

Властивості зв'язування та конфігурації

Ідентифікатор Ім'я Тип Опис
messCat Категорія повідомлень Рядок Категорія опрацьовуваних повідомлень, типово "al*:*".
messLim Обмеження повідомлень, кількість Цілий Максимальна кількість повідомлень у таблиці, типово 1000.
alArch Архіватор сигналів, "{ArhMod}.{Arh}" Рядок Архіватор з якого брати порушення, порожньо для всіх.
alarms.active Активний Логічний Вимкнути якщо виключено підтвердження, розширення за отримання фокусу та редагування взагалі — суто відображення.
hHdrVis Показувати заголовок: горизонтальний Логічний
vHdrVis Показувати заголовок: вертикальний Логічний
formDtTm Формат дати та часу (%Y-%m-%d %H.%M.%S[.%MS,%US]) Рядок Формат відображення часу порушення та підтвердження.
colms Стовпчики

Перелік поділений ',' з варіантів: atm, qttm, nrmtm, lev, cat, mess, prm, dscr, dscrCust{N}, alrm, cmnt.

Рядок Визначити у потрібну послідовність та наповнення полів.
highLght Правила підсвітлення

Рядки у формі "{lev}[{slev}]{quitt}{act}:{color}:{font}:{fontColor}".

Текст Правила підсвітлення, де:
  • lev — основний рівень повідомлення [0...7];
  • slev — підрівень повідомлення [0...9], опціонально;
  • quitt — ознака підтвердження повідомлення [0|1];
  • act — ознака активності повідомлення [0|1];
  • color — колір фону рядка з повідомленням;
  • font — шрифт тексту рядка з повідомленням;
  • fontColor — колір тексту рядка з повідомленням.

Наприклад:

#<SnthHgl font="monospace">
# <rule expr="^#[^\n]*" color="gray" font_italic="1"/>
# <rule expr="^[0-9]*" color="blue">
#  <rule expr="[01]{2}$" color="red">
#   <rule expr="[01]$" color="darkorange"/>
#  </rule>
# </rule>
# <rule expr="(?<=:).*">
#  <rule expr="[^:]*" font_weight="1"/>
#  <rule expr="(?<=:).*" font_italic="1"/>
# </rule>
#</SnthHgl>
501:gray
401:red
1501:yellow
511:gray:Arial 11 0 1
411:red:Arial 11 0 1
1511:yellow:Arial 11 0 1
colDscrCustNames Перелік назв користувацьких полів, поділених ';' Рядок (переклад) За підтримки користувацьких полів, та їх видимістю, тут наводяться їх назви.
types Перелік типів за рівнем від 0, поділені ';' Рядок (переклад) Типи-назви порушень за їх рівнем, типово "Налагодж.;Інформ.;Зауваж.;Попередж.;Помилка;Критично;Тривога;Аварія".


3.6.1 Звіт (alarmsStReport)

1.0 GPLv2 * en, uk, ru Роман Савоченко

Елемент-кадр, представлений на рисунку 3.6.1, реалізує діалог відображення звітного документу, побудованого із переліку отриманих порушень кадру повноформатного представлення історії порушень.

Основним призначенням та функцією цього кадру є надання можливості роздрукувати таблицю історії порушень та експортувати з неї дані.

Рис.3.6.1. Кадр "Порушення — звіт".

Використання — розробка
Цей кадр має бути розташовано у логічному контейнері панелей дерева проекту.

Використання — виконання
Виклик діалогу здійснюється за посередництвом характерної кнопки, нагорі праворуч, кадру повноформатного представлення історії порушень. Діалогом надається текст звітного документу та кнопка, унизу праворуч, для його закриття.


3.7 Менеджер користувачів (userManager)

1.7 GPLv2 * en, uk, ru Роман Савоченко -2 мс (вимкнено)

Елемент-кадр, представлений на рисунку 3.7, слугує для надання можливості контролю користувачів з інтерфейсу самого користувача. Тобто, типово ця функція надається програмісту SCADA на рівні конфігурації підсистеми "Безпека", але інколи виникає потреба надання такої можливості з інтерфейсу користувача та із низкою обмежень на контрольованих користувачів та їх групи, що цей кадр здійснює та загалом надає функції:

Рис.3.7a. Кадр "Менеджер користувачів" у режимі розробки.

Використання — розробка
Віджет призначено для виконання ролі сторінки, а, відповідно, він має безпосередньо розташовуватися у дерево проекту. Додатково, Ви маєте розташувати діалог прийняття до теки панелей проекту та треба здійснити деяку конфігурацію атрибутів, нижче, де жодних зв'язків не передбачено.

Використання — виконання
У режимі виконання формується перелік із доступними користувачами, за обранням яких праворуч надається інформація щодо них, та яку можна змінити. Користувача можна додати та видалити відповідними командами інтерфейсу під переліком користувачів.

Рис.3.7b. Кадр "Менеджер користувачів" у режимі виконання.

Властивості зв'язування та конфігурації

Ідентифікатор Ім'я Тип Опис
owner Власник Рядок Власник та група кадру, які мають до нього доступ, типово "root:Security" — для надання доступу до кадру треба користувача включити до групи "Security".
perm Доступ Вибір цілих чисел Правила доступу до кадру, типово "RWRW__" — кадр видимий та контрольований лише для користувача "root" та користувачів у групі "Security".
denyUsers Заборонене до контролю: користувачі, поділені ';' Рядок Перелік заборонених до контролю користувачів, типово "root;".
denyGroups Заборонене до контролю: групи, поділені ';' Рядок Перелік заборонених до контролю груп, типово "root;users;Archive;BD;DAQ;ModSched;Protocol;Security;Special;Transport;UI;".
newUseGrps Групи новоствореного користувача Рядок Групи до яких включати користувача автоматично після створення, типово "UI;Guest".
storeDB БД зберігання нових користувачів Рядок БД зберігання новостворених користувачів, типово — робоча.


3.8 Склад (storeHouse)

2.1 GPLv2 * en, uk Роман Савоченко -1 мс (предок)

Елемент-кадр, представлений на рисунку 3.8, слугує для контролю складу зі зберігання-керування речами різних класів-категорій. Початково його розроблено та перевірено на класі "Бібліотека". Кадр передбачає прямий доступ до БД за SQL та наразі підтримує лише MySQL/MariaDB.

Протягом реалізації кадру, вигляд "Таблиця" примітиву "FormEl" значним чином розширено на обох візуалізаторах щодо:

  • VCAEngine,QTStarter,Vision,WebVision: Доповнено новим типом клітинки 't'-текст, переважно для можливості підтвердження редагування типу 's'-рядок натисканням Enter.
  • VCAEngine,Vision,WebVision: Доповнено опцією "prec" простору стовпчика, рядка та клітинки для контролю точності реальних значень; та реалізацією атрибуту "align" стовпчика та клітинки.
  • WebVision,Vision: Доповнено перемиканням таблиць у запобігання подвійному зберіганню вихідного вмісту за його розміру більш ніж 10000.
  • FIX:Vision: Використання загального делегату таблиці із можливістю багаторядкового редагування.
  • Вдосконалено відображення стовпців, рядків та клітинок при оновлені та загалом:
  • обмеженням візуального розміру вмісту клітинки 300 символами та висоти рядків у 70% від загального розміру таблиці;
  • більш точним вирівнюванням ширини стовпців;
  • підлаштуванням у режимі розробки, а також при видимості вертикального заголовку;
  • щільним заповненням таблиці через врахування розміру видимої смуги вертикального гортання;
  • підлаштуванням лише після цілковитої зміни розміру таблиці, чим також дозволивши ручну зміну стовпців та для надання такого-правильного підлаштування завжди.
  • Реалізовано "легке" опрацювання зміни ширини та оновлення:
  • "легке" редагування без перепідлаштування стовпців за кожного оновлення, лише за: появи першого рядка, зміни кількості стовпців та зміни заголовку стовпця, зміни шрифту та зміни розміру;
  • застосування фіксованої ширини стовпця та вирахування висоти рядків із обмеженнями незалежно від значення загального атрибуту "colsWdthFit";
  • встановлення значення, рання зміна розміру та підлаштування таблиці, перенесено у простір наявності вмісту таблиці та після сортування.
  • Функцію експорту під час виконання доповнено експортом виду Таблиця примітиву "FormEl" у CSV.
  • WebVision:
  • Вдосконалено відображення стовпців, рядків та клітинок при оновлені та загалом:
  • реалізацією режиму не підлаштування (відсутність атрибуту "colsWdthFit"), з використанням режиму автоматичного розміщення таблиці для обчислення фіксованої ширини та наступного перемикання у фіксований режим розміщення таблиці;
  • багаторядковим редагуванням тексту клітинок у повну ширину та висоту клітинки, із застосуванням редагування за Ctrl+Enter;
  • вигляд строкових клітинок обмежено 300 символами;
  • відображення логічних клітинок зображенням стану TRUE;
  • клітинки таблиці, у режимі редагування, дозволено до виклику контекстного меню системи-браузеру.
  • Реалізовано "легке" опрацювання зміни ширини та оновлення:
  • виявляння змін таблиці та оновлення перемкнуто у режим не зберігання вихідного вмісту двічі;
  • попереджено від цілковитого оновлення за модифікації атрибуту "value".
  • Доповнено підтримкою сортування за стовпцями. Встановлення у сортування за першим видимим стовпчиком при ввімкнені сортування.
  • VCAEngine: Доповнення надсиланням неопрацьованих повідомлень до сторінки, яка відкрила вихідну сторінку.
  • JavaLikeCalc: Реалізація оператору "var" щодо обробки правильної області видимості, тобто визначення нових змінних у функціях із оператором і використання глобальних без нього.

Кадр надає наразі, та надасть у майбутньому, наступні властивості:

Класи складів зберігаються у таблиці "classes" із фіксованою структурою таблиці "CLASS, ID, NAME, TP , TBL, FILTER", де:

  • "file[:{max}[:{storage}[:{MIME}[:{OverViewSz}]]]]" — прикріплення файлів із параметрами:
  • max — максимум файлів дозволених до прикріплення;
  • storage — сховок файлів на Файловій Системі за визначеним шляхом, і порожнє для збереження прямо у полі БД типу LONGTEXT;
  • MIME — тип файлів, дозволених до прикріплення-завантаження, де порожньо для будь якого і на кшталт "image/*" лише для зображень;
  • OverViewSz — увімкнути поле перегляду файлів зображень на формі елементу із визначеним розміром у пікселях.
  • вирівнювання — вирівнювання стовпчика, підтримуються значення: "left", "center", "right"; де значення "left" по замовченню для рядків та "center" для інших;
  • ширина — примусова ширина стовпчика, у відсотках за символу "%" у кінці або у пікселях;
  • позиція — позиція стовпчика у вигляді рядка, тож ви можете записати це на кшталт "005" для правильного сортування.
  • index — значення стовпчика враховується цілком при індексуванні;
  • list{СимволПоділювача} — значення стовпчика вважається переліком елементів для індексування, поділено символом СимволПоділювача.
Починаючи із другого рядка ви можете визначити правила підсвітлення у вигляді "{ID}:{FLGS}:{color}:{font}", де:
  • ID — індексоване або перелічене значення у клітинці;
  • FLGS — перелік прапорців [0|1], наразі це лише "Підсвітити [Клітинка|Рядок]";
  • color — колір тла;
  • font — шрифт тексту.
At.png Встановлення тут процедури очищуватиме (встановлюватиме у NULL) всі клітинки стовпця!

Дані складу відповідного класу зберігаються у окремій таблиці із назвою "sh_{CLASS}" та структурою "ID, NAME, DSCR, SP_{ID}1, ..., SP_{ID}N", де:

Зі спеціальним сенсом у таблиці "classes" зарезервовано та примусово створювано поля "*TITLE" для загальної локалізованої назви складу та "*NAME", "*DSCR" із контролем відповідних фіксованих полей.

Рис.3.8a. Кадр "Склад" у режимі розробки.

Використання — розробка
Віджет призначено для виконання ролі сторінки, а, відповідно, він має безпосередньо розташовуватися у дерево проекту. Додатково, ви маєте розташувати діалог прийняття до теки панелей проекту та треба здійснити деяку конфігурацію атрибутів, нижче, де жодних зв'язків не передбачено.

Для увімкнення звітності ви маєте розташувати кадр звітності порушень до логічного контейнеру панелей у дереві проєкту.

Використання — виконання
У режимі виконання ви побачити одну велику таблицю для редагування класів (Рис.3.8b) і представлення даних (Рис.3.8c) із редагуванням даних безпосередньо у таблиці або у формі редагування елементу (Рис.3.8d).

У режимі представлення основних даних класу користувачі можуть споглядати таблицю, фільтрувати та сортувати представлені дані за визначеними полями.

У режимі редагування основних даних класу, користувачі, допущені до редагування, можуть додавати, копіювати, видаляти рядки/записи та редагувати поля.

У режимі редагування класу, користувачі, допущені до редагування, можуть додавати нові та видаляти представлені (після видалення останнього елементу) класи; та додавати, видаляти специфічні поля класу і редагувати властивості цих полів.

Для обмеження доступу користувачів наразі надається лише механізм включення користувачів, дозволених для редагування класу та даних, до групи "ITW".

Для генерації окремого звіту користувач може клацнути характерну іконку у правому верхньому куту.

At.png Кадр наразі підтримує функціювання із дуже великим значенням "Період опрацювання" та це значення наразі встановлено для спадкування від батьківської сторінки/сеансу (значення -1). Це можливе завдяки механізму раннього опрацювання подій та можливості контролю періодичності опрацювання із процедури.

Рис.3.8b. Кадр "Склад" у режимі виконання на представлені класу.
Рис.3.8c. Кадр "Склад" у режимі виконання на представлені даних із панеллю контролю.
Fig.3.8d. Кадр "Склад" у режимі виконання на формі редагування елементу.

Властивості зв'язування та конфігурації

Ідентифікатор Ім'я Тип Опис
class Клас: поточний Рядок Примусовий/ініціюючий клас першого відкриття.
classEditable (Стала) Клас: редагований Логічний Прапорець дозволу редагування класу.
classFix (Стала) Клас: фіксований Рядок Фіксований клас для якого кадр лише виконується, забороняючи доступ до інших класів.
dataEditable (Стала) Дані: редаговане Логічний Прапорець дозволу редагування основних даних.
db БД: База даних Рядок База даних класів та даних у вигляді {Тип}.{БД}.

4 Панелі управління та прості діалоги

Містить елементи-кадри панелей управління та простих діалогів, які складно або не потрібно реалізовувати у вигляді панелей. Ці кадри призначено для розташування у відповідній теці панелей дерева проекту, побудованого за концепцією об'єктів сигналізації кореневої сторінки "RootPgSo". Кадри переважно не призначені для використання окремо, оскільки часто репрезентують специфіку даних до яких надають елементи управління або розширену інформацію, а відтак мають використовуватися разом із ними, окрім випадків уніфікації, узагальнення та розширення контролю примітивами!

Ці елементи переважно відкриваються динамічно, за викликом із елементу-віджету первинного представлення, здійснюючи при цьому динамічне зв'язування зв'язків панелі у групі "<page>" з віджетом (часто сторінкою), який викликав цю панель. Подальша робота, до закриття, здійснюється із даними віджета, що викликав.


4.1 Термінальна панель (terminator)

1.1 GPLv2 * en, uk, ru Роман Савоченко

Елемент панелі, представлений на рисунку 4.1, слугує для заповнення простору контейнеру панелей, коли не обрано активного візуального елементу для управління на основному кадрі, оскільки закриття або очищення кадрів у області контейнеру не передбачено, лише заміна.

Рис.4.1. Елемент панелі "Термінальна панель".

Використання — розробка
Цей елемент має бути розташовано у логічному контейнері панелей дерева проекту.

Використання — виконання
Виклик панелі здійснюється із головної сторінки "RootPgSo" за зміни об'єкту сигналізації або виду відображення.


4.2 Елемент кадр (ElCadr)

1.4 GPLv2 * en, uk, ru Роман Савоченко -1 мс (предок)

Елемент, представлений на рисунках 4.2, фактично є універсальною панеллю управління та розширеного контролю різними пристроями за усіма відомими та визначеними представницькими структурами базових даних систем управління за DAQ-шаблонами:

У первинній функції панелі — розширене та загальне керування, цей елемент викликається з:

Якщо використання цього елементу у якості панелі керування не є обов'язковим, у першу чергу у віджетах первинного представлення та через їх спеціалізацію на окремих типах даних, щодо яких можна створити окрему панель. То завдяки високій універсальності, через підтримку всіх відомих репрезентативних структур DAQ-шаблонів, її обов'язково використовувати у основних кадрах, як це зроблено у кадрі "Група контурів".

Рис.4.2a. Віджет "Елемент кадр" у режимі розробки.

Використання — розробка
Панель не передбачає спеціальної конфігурації користувачем, вона має лише бути розташована у теці панелей дерева проекту концепції об'єктів сигналізації кореневої сторінки "RootPgSo", що передбачатиме її динамічний виклик та відкриття у контейнері панелей управління кореневої сторінки.

Ідентифікатор панелі, при розміщені, має зберігатися та рядок її виклику, за отриманням фокусу, у атрибуті обробки подій "evProc" первинного віджету набуде вигляду "ws_FocusIn::open:/pg_control/pg_ElCadr".

Використання — виконання
Покази аналогового параметру — у цьому режимі немає жодного управління, а здійснюється лише відображення одиниці виміру, значення, гістограми значення та найменування параметру.

Ручне введення аналогового параметру — крім відображення показів аналогового параметру відображаються кнопки введення нового значення. Введення значення відображається у полі значень нагорі, у підсвіченому прямокутнику. Для підтвердження правильності введення необхідно натиснути лівою клавішею миші у області підсвіченого прямокутника, без чого набране значення буде скинуто через декілька секунд.

Режим ПІД-регулятору — до значення змінної та її гістограми додається значення та гістограма завдання та виходу ПІД-регулятору, кнопки для введення нового значення, завдання або виходу, а також кнопки встановлення режиму регулятору та поле відображення поточного режиму. Також, для користувача з відповідними правами ("root:ITW"), доступно кнопку переходу до кадру налаштувань коефіцієнтів ПІД-регулятору. У випадку із імпульсним ПІД-регулятором замість гістограми аналогового виходу відображаються трикутники стану імпульсного виходу "Нагору" та "Додолу", а ручне введення виходу призводить до прямого формування імпульсу, відповідно донизу або додолу.

Режим дискретного пристрою — у цьому режимі здійснюється відображення найменування та поля дискретної збірки параметру. Поле дискретної збірки містить поточний стан дискретного пристрою, ліворуч, та кнопки можливих команд пристрою, праворуч. Передбачено два стани пристрою: "Відкрито", "Закрито" та три команди: "Відкрити", "Закрити", "Стоп". Найменування станів та команд може бути встановлено під час налаштування. Зміна стану дискретного пристрою визначається натиском на кнопку відповідної команди. У режимі прямих дискретних станів формується комбобокс із переліком елементів з digComs, поточним станом із st_text та надсиланням команд у com_text.

Кожна дія на цій панелі управління (зміна завдання ПІД-регулятору, зміна стану дискретного параметру, ...) реєструється у журналі (протоколі) втручань згідно до структури повідомлень дій оператору.

Для кожного відображуваного або керованого параметру можна отримати паспорт, шляхом натискання правої клавіші миші на поле контуру. У паспорті буде представлено всі властивості параметру.

At.png Кадр наразі підтримує функціювання із дуже великим значенням "Період опрацювання" та це значення наразі встановлено для спадкування від батьківської сторінки/сеансу (значення -1). Це можливе завдяки механізму раннього опрацювання подій та можливості контролю періодичності опрацювання із процедури.

Рис.4.2b. Віджет "Елемент кадр" у режимі виконання.

Властивості зв'язування та конфігурації

Ідентифікатор Ім'я Тип Конфігурація Конфігураційний шаблон Опис
prmId Параметр: ідентифікатор Рядок Вхідний зв'язок <page>|SHIFR Ідентифікатор параметру, використовується лише для визначення відповідної сторінки контролю ПІД.
prmShifr Параметр: шифр Рядок (переклад) Вхідний зв'язок <page>|NAME Коротка назва параметру — шифр, для розміщення під фреймом та до дій користувача-оператору.
prmDescr Параметр: опис Рядок (переклад) Вхідний зв'язок <page>|DESCR Опис параметру, для розміщення до дій користувача-оператору.
prmColor Параметр: колір границі Рядок Вхідний зв'язок <page>|color Встановлює колір рамки контуру.
Властивості аналогових пристроїв
prmDemention Параметр: одиниця виміру Рядок (переклад) Вхідний зв'язок <page>|ed
prmPrec Параметр: точність (знаків) Цілий Вхідний зв'язок <page>|prec Кількість знаків після коми значення параметру та крок зміни ручного вводу значення, а також завдання та виходу ПІД регулятору.
prmVar Параметр: змінна Реальний Повний зв'язок <page>|var Безпосереднє значення аналогового параметру.
max Параметр: максимум Реальний Вхідний зв'язок <page>|max Максимальна границя значення параметру.
min Параметр: мінімум Реальний Вхідний зв'язок <page>|min Мінімальна границя значення параметру.
prmAMax Параметр: границя верхня аварійна Реальний Вхідний зв'язок <page>|aMax
prmAMin Параметр: границя нижня аварійна Реальний Вхідний зв'язок <page>|aMin
prmWMax Параметр: границя верхня попереджув. Реальний Вхідний зв'язок <page>|wMax
prmWMin Параметр: границя нижня попереджув. Реальний Вхідний зв'язок <page>|wMin
Ручний аналоговий ввід
prmVarIn Параметр: ввід змінної Реальний Повний зв'язок <page>|varIn Вихід ручного вводу значення аналогового параметру. Наявність цього параметру є ознакою того, що параметр визначається як "Ручний аналоговий ввід".
ПІД-регулятор
prmAnalog Параметр: аналоговий регулятор Логічний Вхідний зв'язок <page>|analog Ознака аналогового регулятору, за відсутності якого регулятор рахується імпульсним.
prmAuto Параметр: автомат Логічний Повний зв'язок <page>|auto Режим регулятору "Автомат".
prmCasc Параметр: каскад Логічний Повний зв'язок <page>|casc Режим регулятору "Каскад".
prmSp Параметр: завдання Реальний Повний зв'язок <page>|sp Завдання ПІД-регулятору, яке може бути встановлено користувачем.
prmImpQdwnTm Параметр: імпульсний вихід вниз Логічний Вхідний зв'язок <page>|impQdwn Вихід "Донизу" імпульсного регулятору.
prmImpQupTm Параметр: імпульсний вихід вгору Логічний Вхідний зв'язок <page>|impQup Вихід "Догори" імпульсного регулятору.
prmOut Параметр: вихід Реальний Повний зв'язок <page>|out Вихід аналогового ПІД-регулятору для відображення та ручного вводу значення виходу ПІД, у ручному режимі.
prmManIn Параметр: ручний ввід Реальний Повний зв'язок manIn Ручний ввід нового значення виходу ПІД-регулятору у ручному режимі.
Властивості дискретних пристроїв
prmCom Параметр: команда - "Відкрити" Логічний Повний зв'язок <page>|com
prmClose Параметр: команда - "Закрити" Логічний Повний зв'язок <page>|close
prmStop Параметр: команда - "Стоп" Логічний Повний зв'язок <page>|stop
prmComText Параметр: текст команди Рядок Повний зв'язок com_text Текст команди прямо, отриманий з digComs при формуванні комбобоксу обрання.
digComs Параметр: дискр. команди Рядок (переклад) Вхідний зв'язок <page>|digComs Конфігурація команд параметру зі структурою {openLabel}-{color};{closeLabel}-{color};{stopLabel}-{color}, для дискретного блоку, та {com1Label}-{color};{com2Label}-{color};...;{comNLabel}-{color}, для статусу за кодом. Кольори по замовченню для дискретного блоку: "зелений", "червоний" та "жовтий".
prmOpenSt Параметр: стан - "Відкрито" Логічний Вхідний зв'язок <page>|st_open
prmCloseSt Параметр: стан - "Закрито" Логічний Вхідний зв'язок <page>|st_close
prmStText Параметр: текст статусу Рядок Вхідний зв'язок <page>|st_text Текст статусу прямо.
digStts Параметр: дискр. стани Рядок (переклад) Вхідний зв'язок <page>|digStts Конфігурація статусів параметру зі структурою {openedLabel}-{color};{closedLabel}-{color}, для дискретного блоку. Кольори по замовченню: "зелений" та "червоний".


4.3 Паспорт, розширений (cntrPaspExt)

1.2 GPLv2 * en, uk, ru Роман Савоченко -1 мс (предок)

Елемент, представлений на рисунку 4.3, є інформаційно-контрольним діалогом довкола параметру джерела даних — розширений паспорт параметру. На відміну від простого паспорту, розширений, окрім інформації, надає можливість контролю за атрибутами параметру та відображення історії стандартних атрибутів як у вигляді тренду, так і таблиці даних.

Інформація та контроль за атрибутами параметру залишається основною функцію, яка надається у вкладці "Огляд", де формується таблиця атрибутів як вони є, із стовпчиками "Ім'я" та "Значення". Таблиця активна та за обрання доступних до запису атрибутів, та відповідних прав (root:op), знизу надається поле введення нових значень.

Історія надається у наступних двох вкладках "Тренди" та "Дані", які можуть бути й відсутні за відсутності історії-архівів за стандартними атрибутами. Вкладка "Тренди" містить область графіків, примітив "Діаграма", на більшій частині вікна, та таблицю унизу із назвами, кольором та шкалами графіків. Графіки періодично оновлюються та будуються з періодом 1 секунда, та на фіксовану глибиною у 1 годину. Вкладка "Дані" містить лише поле примітиву "Документ" із таблицею зі значеннями атрибуту у стовпчиках, яка оновлюється з періодом 1 секунда для періоду даних історії та на глибину у 100 записів. Стандартними атрибутами із історією вважаються наступні елементи представницьких структур параметру:

Для побудови трендів аналогових параметрів окремо обробляються атрибути загальної шкали [min...max], а також аварійних [aMin...aMax] та попереджувальних шкал [wMin...wMax], які, зокрема, відображаються й на графіку.

At.png Наразі цей діалог є основним та він замінив простий діалог паспорту.

Рис.4.3. Діалог "Паспорт, розширений" у режимі виконання.

Використання — розробка
Діалог не передбачає спеціальної конфігурації користувачем, він має лише бути розташований у теці панелей дерева проекту концепції об'єктів сигналізації кореневої сторінки "RootPgSo", що передбачатиме його динамічний виклик та відкриття, як зовнішнє діалогове вікно.

Ідентифікатор діалогу, при розміщені, має бути змінений у "cntrPasp" та рядок його виклику, за натиском правої клавіші миші, у атрибуті обробки подій "evProc" первинного віджету набуде вигляду "key_mousePresRight::open:/pg_control/pg_cntrPasp".

Використання — виконання
Діалог надає користувачу, у вкладці "Огляд", інформацію довкола параметру джерела даних у вигляді переліку та значень всіх властивостей-атрибутів параметру у таблиці. Де атрибути, доступні до запису, можуть редагуватися відповідно до прав доступу "root:op" у полі редагування, що з'являється знизу за обранням такого атрибуту.

Стосовно історії, користувач може спостерігати тренди у вкладці "Тренди" та дані у вкладці "Дані". Для трендів, користувач може також підсвітити якийсь з них, обравши його у таблиці знизу, та відкоригувати шкалу якщо вона помилкова.

Властивості зв'язування та конфігурації

Ідентифікатор Ім'я Тип Конфігурація Конфігураційний шаблон Опис
pName Ім'я параметру Адреса Вхідний зв'язок Parameter|NAME Адреса до назви параметру для звернення до параметру цілком та вилучення всіх його властивостей.


4.4 Паспорт (cntrPasp)

1.0 GPLv2 * en, uk, ru Роман Савоченко -1 мс (предок)

Елемент, представлений на рисунку 4.4, є інформаційним діалогом довкола параметру джерела даних — паспорт параметру, відповідно він дозволяє отримати такого роду інформацію як: шифр, ім'я, опис, одиницю виміру, аварійні границі та інше, відповідне до представницької структури параметру — атрибути параметру. Діалог побудовано на основі примітиву "Документ", вміст якого формується динамічно та періодично оновлюється.

У побудові паспорту окремо обробляються атрибути аварійних [aMin...aMax] та попереджувальних шкал [wMin...wMax], які поєднуються у одному записі та взагалі можуть приховуватися за умови їх вимкнення.

At.png Наразі цей діалог фактично замінено більш функціональним та розширеним діалогом паспорту та його переважно вимкнено у всіх шаблонних та демонстраційних проектах, хоча ніхто не заважає його використанню, якщо потрібно лише інформацію.

Рис.4.4. Діалог "Паспорт" у режимі виконання.

Використання — розробка
Діалог не передбачає спеціальної конфігурації користувачем, він має лише бути розташований у теці панелей дерева проекту концепції об'єктів сигналізації кореневої сторінки "RootPgSo", що передбачатиме його динамічний виклик та відкриття, як зовнішнє діалогове вікно.

Ідентифікатор діалогу, при розміщені, має зберігатися та рядок його виклику, за натиском правої клавіші миші, у атрибуті обробки подій "evProc" первинного віджету набуде вигляду "key_mousePresRight::open:/pg_control/pg_cntrPasp".

Використання — виконання
Діалог лише надає користувачу інформацію довкола параметру джерела даних у вигляді переліку та значень всіх властивостей-атрибутів параметру у таблиці.

Властивості зв'язування та конфігурації

Ідентифікатор Ім'я Тип Конфігурація Конфігураційний шаблон Опис
pName Ім'я параметру Адреса Вхідний зв'язок Parameter|NAME Адреса до назви параметру для звернення до параметру цілком та вилучення всіх його властивостей.


4.5 Панель графіків (grph_panel)

1.6 GPLv2 * en, uk, ru Роман Савоченко -1 мс (предок)

Елемент, представлений на рисунку 4.5, є спеціалізованою панеллю динамічного керування основними користувацькими властивостями примітиву "Діаграма". Так, панель дозволяє переглянути графіки історії за потрібний проміжок часу та на потрібну роздільну здатність, підтримується: масштабування шкали, вибір архіваторів для відображення, а також надання графіків у вигляді спектру присутніх частот або XY.

Рис.4.5. Панель графіків у режимі розробки та виконання (зліва праворуч).

Використання — розробка
Панель не передбачає спеціальної конфігурації користувачем, вона має лише бути розташована у теці панелей дерева проекту концепції об'єктів сигналізації кореневої сторінки "RootPgSo", що передбачатиме її динамічний виклик та відкриття у контейнері панелей управління кореневої сторінки.

Ідентифікатор панелі, при розміщені, має зберігатися та рядок її виклику, за отриманням фокусу, у атрибуті обробки подій "evProc" первинного віджету набуде вигляду "ws_FocusIn::open:/pg_control/pg_grph_panel".

Використання — виконання
За допомогою панелі користувач має можливість:

Властивості зв'язування та конфігурації

Ідентифікатор Ім'я Тип Конфігурація Конфігураційний шаблон Опис
tSek Час тренду ДатаЧас Повний зв'язок <page>|tSek
tSize Розмір тренду Реальний Повний зв'язок <page>|tSize Часовий розмір-інтервал графіку у історію від часу тренду.
trcPer Період слідкування Цілий Повний зв'язок <page>|trcPer Період оновлення-слідкування графіку.
type Тип Цілий Повний зв'язок <page>|type Тип графіку: "Тренд", "Спектр частот", "XY".
valArch Архіватор Рядок Повний зв'язок <page>|valArch
curSek Курсор ДатаЧас Повний зв'язок <page>|curSek Час встановлення курсору.
curUSek Курсор, мікросекунди Цілий Повний зв'язок <page>|curUSek Час встановлення курсору, мікросекунди.
sclVer Вертикальний масштаб Реальний Повний зв'язок <page>|sclVerScl Відсоток вертикального масштабу.
sclVerOff Зміщення вертикального масштабу Реальний Повний зв'язок <page>|sclVerSclOff Відсоток зміщення за вертикальною шкалою.
sclHor Горизонтальна шкала Реальний Повний зв'язок <page>|sclHorScl Відсоток горизонтального масштабу.
sclHorOff Зсув горизонтальної шкали Реальний Повний зв'язок <page>|sclHorSclOff Відсоток зміщення за горизонтальною шкалою.
sclWin Масштаб вікном Логічний Повний зв'язок <page>|sclWin Перемикання режиму масштабування вікном.
sclWinCtx Масштаб: контекст вікном Об'єкт Вхідний зв'язок <page>|sclWinCtx Контекст збереження початкових параметрів масштабування вікном, для повернення.


4.6 Панель документів (doc_panel)

1.3 GPLv2 * en, uk, ru Роман Савоченко -1 мс (предок)

Елемент, представлений на рисунку 4.6, є спеціалізованою панеллю динамічного керування основними користувацькими властивостями примітиву "Документ". Так, панель дозволяє керувати документами та здійснювати навігації за їх історією; підтримуються динамічні та архівні документи.

Рис.4.6. Панель документів у режимі розробки та виконання (динамічний та архівний), зліва праворуч.

Використання — розробка
Панель не передбачає спеціальної конфігурації користувачем, вона має лише бути розташована у теці панелей дерева проекту концепції об'єктів сигналізації кореневої сторінки "RootPgSo", що передбачатиме її динамічний виклик та відкриття у контейнері панелей управління кореневої сторінки.

Ідентифікатор панелі, при розміщені, має зберігатися та рядок її виклику, за отриманням фокусу, у атрибуті обробки подій "evProc" первинного віджету набуде вигляду "ws_FocusIn::open:/pg_control/pg_doc_panel".

Використання — виконання
Панеллю надаються інструменти, які дещо відрізняються для динамічного та архівного режимів.

Динамічним документом передбачається:

Архівним документом передбачається лише навігація за документами у архіві шляхом їх гортання, а також інформація про поточний та загальну кількість документів у архіві.

Властивості зв'язування та конфігурації

Ідентифікатор Ім'я Тип Конфігурація Конфігураційний шаблон Опис
Динамічні документи
time Час документа ДатаЧас Повний зв'язок <page>|time
bTime Початок документа ДатаЧас Повний зв'язок <page>|bTime
doc Документ Рядок Повний зв'язок <page>|doc
Архівні документи
n Розмір архіву Цілий Вхідний зв'язок <page>|n
vCur Курсор відображення Цілий Повний зв'язок <page>|vCur
aCur Курсор архіву Цілий Вхідний зв'язок <page>|aCur
aSize Розмір архіву Цілий Вхідний зв'язок <page>|aSize


4.7 Підтвердження (accept)

1.0 GPLv2 * en, uk, ru Роман Савоченко -1 мс (предок)

Елемент на рисунку 4.7 реалізує простий діалог підтвердження операцій. Діалог містить повідомлення з питанням та дві кнопки "Прийняти" й "Скасувати". Цей діалог, наприклад, використано у кадрі Менеджер користувачів для підтвердження операції видалення.

Рис.4.7. Діалог "Підтвердження" у режимі розробки та виконання.

Використання — розробка
Діалог не передбачає спеціальної конфігурації користувачем, він має лише бути розташований у теці панелей дерева проекту концепції об'єктів сигналізації кореневої сторінки "RootPgSo", що передбачатиме його динамічний виклик та відкриття, як зовнішнє діалогове вікно.

Ідентифікатор діалогу, при розміщені, має зберігатися та рядок його виклику, за натиском кнопки "progDel", у атрибуті обробки подій "evProc" первинного віджету набуде вигляду "ws_BtPress:/progDel:open:/pg_control/pg_accept". З атрибуту "mess" береться повідомлення питання, а у "event" передається сигнал "dlg_Apply", за підтвердження.

Використання — виконання
Виклик діалогу здійснюється із кадру-ініціатору, а закриття відбувається за натиском будь-якої кнопки діалогу. У випадку натиску кнопки "Прийняти" кадру-ініціатору буде надіслано сигнал "dlg_Apply", за яким він може виконати потрібні дії.

Властивості зв'язування та конфігурації

Ідентифікатор Ім'я Тип Конфігурація Конфігураційний шаблон Опис
elEvent Елемент: подія Рядок Повний зв'язок <page>|event Використовується для надсилання повідомлення "dlg_Apply" у випадку підтвердження.
elMess Елемент: повідомлення Рядок Вхідний зв'язок <page>|mess Джерело повідомлення питання у діалозі.


4.8 Вибір елементу у дереві (treeSelect)

1.0 GPLv2 * en, uk, ru Роман Савоченко -1 мс (предок)

Елемент на рисунку 4.8 реалізує простий діалог операції обрання пункту у дереві. Діалог містить саме дерево та дві кнопки "Прийняти" й "Скасувати". Цей діалог, наприклад, використано, та первинно для нього розроблявся, у кадрі "Рецепт:виконання (простий)" для ієрархічного обрання елементу у дереві.

Рис.4.8. Діалог "Вибір елементу у дереві" у режимі розробки та виконання.

Використання — розробка
Діалог не передбачає спеціальної конфігурації користувачем, він має лише бути розташований у теці панелей дерева проекту концепції об'єктів сигналізації кореневої сторінки "RootPgSo", що передбачатиме його динамічний виклик та відкриття, як зовнішнє діалогове вікно.

Ідентифікатор діалогу, при розміщені, має зберігатися та рядок його виклику, за натиском кнопки "lib", у атрибуті обробки подій "evProc" первинного віджету набуде вигляду "ws_BtPress:/lib:open:/pg_control/pg_treeSelect". З атрибуту "items" береться перелік елементів, із "selValue" обране значення, а у "event" передається сигнал "dlg_Apply", за підтвердження.

Використання — виконання
Виклик діалогу здійснюється із кадру-ініціатору, а закриття відбувається за натиском будь-якої кнопки діалогу. У випадку натиску кнопки "Прийняти" кадру-ініціатору буде надіслано сигнал "dlg_Apply", за яким він застосує обраний елемент.

Властивості зв'язування та конфігурації

Ідентифікатор Ім'я Тип Конфігурація Конфігураційний шаблон Опис
elEvent Елемент: подія Рядок Повний зв'язок <page>|event Використовується для надсилання повідомлення "dlg_Apply" у випадку підтвердження.
elItems Елемент: перелік елементів Текст Вхідний зв'язок <page>|items Джерело переліку елементів у діалозі.
selValue Елемент: обране значення Рядок Повний зв'язок <page>|selValue Джерело обраного елементу у діалозі.
Libs/Main_graphical_elements/uk - GFDLJune 2025OpenSCADA 0.9.8